 |

|
|
Elektronika.lt portalo forumas
Jūs esate neprisijungęs lankytojas. Norint dalyvauti diskusijose, būtina užsiregistruoti ir prisijungti prie forumo.
Prisijungę galėsite kurti naujas temas, atsakyti į kitų užduotus klausimus, balsuoti forumo apklausose.
Administracija pasilieka teisę pašalinti pasisakymus bei dalyvius,
kurie nesilaiko forumo taisyklių.
Pastebėjus nusižengimus, prašome pranešti.
Dabar yra 2025 11 26, 20:29. Visos datos yra GMT + 2 valandos.
|
|
|
 |
Forumas » Principinės elektrinės schemos » ta8210 stiprintuvas
|
Jūs negalite rašyti naujų pranešimų į šį forumą Jūs negalite atsakinėti į pranešimus šiame forume Jūs negalite redaguoti savo pranešimų šiame forume Jūs negalite ištrinti savo pranešimų šiame forume Jūs negalite dalyvauti apklausose šiame forume
|
|
|
 |
ta8210 stiprintuvas |
Parašytas: 2008 05 07, 14:08 |
|
|
|
|
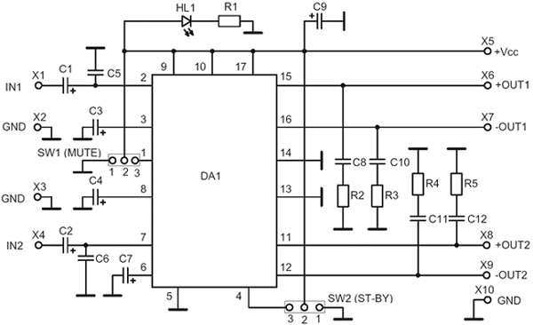
| stand by per 15kom pajungiau prie pliuso , o mute kaba ore ... |
|
|
|
|
|
 |
ta8210 stiprintuvas |
Parašytas: 2008 05 07, 15:29 |
|
|
|
|
| ir dar klausimelis ar didele beda jei vietoj c1,c2 (4.7uF 25v) pas mane 4.7uF 50v ? |
|
|
|
|
|
 |
ta8210 stiprintuvas |
Parašytas: 2008 05 07, 15:48 |
|
|
|
|
| Na po alaus pasakysiu taip: kad kondiku itampa aukstesne tai dzin (kondas atlaikys aukstesne itampa, nepramus), o del standby man idomu patapo. mute sutvarkyk. Signalo saltini prijungei? Potenciometras koks yra? P.S. nekaista kartais? |
|
|
|
|
|
 |
ta8210 stiprintuvas |
Parašytas: 2008 05 07, 22:29 |
|
|
|
|
| vice1991 rašo: |
| stand by per 15kom pajungiau prie pliuso , o mute kaba ore ... |
Parsisiusk mikres datascheeta ir pajunk pagal ji,o ne nesamones su ''ore'' kabanciais isvadais
Datascheetu yra cia :
http://www.datasheet4u.com/ |
|
|
|
|
|
 |
ta8210 stiprintuvas |
Parašytas: 2008 05 08, 14:10 |
|
|
|
|
viskas buvo ok tik c8,c10-c12 man pardoj dave ne keramikinius o plevelinius ir pas mane nebuvo tu krturiu rezistoriu , nes pamaniau kad dzin tie 2om o uz juos po 80ct buvo vpadlu pakeiciau kondikus ir pastaciau rezistorius ir vikas veike gerai , kol neuztrumpinau kazko ir ta mikruske sprogo dabar darysiu spausdintine , nes su maketinem labai daug nesamoniu man buna
o seip kiek grojo jis man tai kokybe tikrai geresne negu tda1554  |
|
|
|
|
|
 |
ta8210 stiprintuvas |
Parašytas: 2008 05 08, 14:50 |
|
|
|
|
| o gal kas nors galetu pasiulyti man schemute (nesudetinga) ausintuvo valdymo ? kad ventiliatorius isijungtu atda kai pasiekiama tam tikra riba ir apsukos didetu kylant temperaturai (nors galima ir be sito). palnuoju deti sena ausintuva nuo procesoriaus ... |
|
|
|
|
|
 |
ta8210 stiprintuvas |
Parašytas: 2008 05 08, 19:36 |
|
|
|
|
|
_________________ greitai ir pigiai nebūna gerai
pigiai ir gerai nebūna greitai
gerai ir greitai nebūna pigiai |
|
|
|
 |
 |
ta8210 stiprintuvas |
Parašytas: 2008 05 11, 20:17 |
|
|
|
|
nenoriu kurti naujos temos tad rasysiu cia .
yra keletas problemu :
pirma - turiu "Амфитон" 25АС-027 koloneles , taciau jam prisvilo dinamikas (zemo daznio) ir vietoj originalaus AD stovi kazkoks is seno teliko ... originaliu rasti niekaip nepavyksta tad gerai butu rasti koki analoga ... labai tikiuosi kad man padesite
rytoj tikiuosi pameginti daryti spausdintine plokste ir vaziuoju pirkti dinamikus naujai sistemai pirksiu keleta zemo daznio is s30 (viena istatysiu i sena kolonele kur peisviles yra o is antro darysiu subiuka) ir kelis AD dianmikus is tu paciu s30 (2 idesiu i dabartine sistemele ir du i busima) tik va keblumas tame kad nzn kaip reik junkti AD dinamikus nuosekliai ar lygegriaciai placiajuosciams ?t.y. zinau tik kad ant ju lituojasi kondikas kaip filtras , o va toliau +prie+ ir -prie- ar atvirksciai ? |
|
|
|
|
|
 |
 |
ta8210 stiprintuvas |
Parašytas: 2008 05 12, 11:53 |
|
|
|
|
| vice1991 rašo: |
| tik va keblumas tame kad nzn kaip reik junkti AD dinamikus nuosekliai ar lygegriaciai placiajuosciams ?t.y. zinau tik kad ant ju lituojasi kondikas kaip filtras , o va toliau +prie+ ir -prie- ar atvirksciai ? |
Jungi lygiagrečiai, tačiau AD dinamikui nuosekliai užkabini aukšto dažnio filtrą (kondensatorių). +/- taip kaip ir kitų dinamikų. |
|
|
|
|
|
 |
ta8210 stiprintuvas |
Parašytas: 2008 05 12, 18:27 |
|
|
|
|
o jei nesunku gal kas gali priminti kaip skaiciuojasi varza kai jungi lygiagreciai ? nes as pamirsau ir ar apkrova ant kintamos ne kitaip skaiciuojasi negu ant pastovios ?
//oftopic.... na va pagaliau turiu dinamikus  |
|
|
|
|
|
 |
ta8210 stiprintuvas |
Parašytas: 2008 05 13, 14:39 |
|
|
|
|
va mano boombox'o foto ji dariau skubedamas , tad cia nepaskaicioti nei turei nei niekas , man tik reikejo kad grotu ir maitintusi nuo batarkiu , o sias funkcijas jis atlieka puikiai ... cia dar tik pirmas sluoksnis gravitekso , o at virsaus jau ka nors grazaus reiks nudazyti ...
o dabar jau darau kita ... kokybiskesny ir kuris jau bus maitinamas nuo akumo/tinklo
 |
|
|
|
|
|
|
 |
Google paieška forume |
|
|
 |
Naujos temos forume |
|
 |
FS25 Tractors
Farming Simulator 25 Mods,
FS25 Maps,
FS25 Trucks |
 |
ETS2 Mods
ETS2 Trucks,
ETS2 Bus,
Euro Truck Simulator 2 Mods
|
 |
FS22 Tractors
Farming Simulator 22 Mods,
FS22 Maps,
FS25 Mods |
 |
VAT calculator
VAT number check,
What is VAT,
How much is VAT |
 |
Dantų protezavimas
All on 4 implantai,
Endodontija mikroskopu,
Dantų implantacija |
 |
FS25 Mods
FS25 Maps,
FS25 Cheats,
FS25 Install Mods |
 |
FS25 Mods
Farming Simulator 25 Mods,
FS25 Maps |
 |
ATS Trailers
American Truck Simulator Mods,
ATS Trucks,
ATS Maps |
 |
Must have farming mods
Farming simulator modhub,
Best farming simulator mods |
|

|
 |