 |

|
|
Elektronika.lt portalo forumas
Jūs esate neprisijungęs lankytojas. Norint dalyvauti diskusijose, būtina užsiregistruoti ir prisijungti prie forumo.
Prisijungę galėsite kurti naujas temas, atsakyti į kitų užduotus klausimus, balsuoti forumo apklausose.
Administracija pasilieka teisę pašalinti pasisakymus bei dalyvius,
kurie nesilaiko forumo taisyklių.
Pastebėjus nusižengimus, prašome pranešti.
Dabar yra 2025 11 26, 06:29. Visos datos yra GMT + 2 valandos.
|
|
|
 |
Forumas » Principinės elektrinės schemos » nesigauna
|
Jūs negalite rašyti naujų pranešimų į šį forumą Jūs negalite atsakinėti į pranešimus šiame forume Jūs negalite redaguoti savo pranešimų šiame forume Jūs negalite ištrinti savo pranešimų šiame forume Jūs negalite dalyvauti apklausose šiame forume
|
|
|
Puslapis 2 iš 2 Pereiti prie Atgal 1, 2 |
|
 |
nesigauna |
Parašytas: 2006 11 21, 23:35 |
|
|
|
|
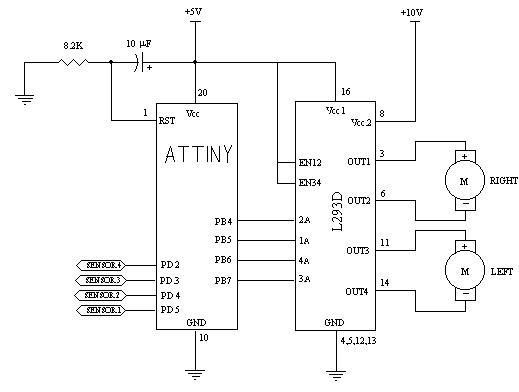
Jo sorry suklaidinom del to sukeitimo. Pasirode netycia kad ten AVR mikrokontroleris, o ten is tikro MSC51 serijos. |
|
|
|
|
|
 |
nesigauna |
Parašytas: 2006 11 21, 23:39 |
|
|
|
|
| Mindaugasu rašo: |
Jo sorry suklaidinom del to sukeitimo. Pasirode netycia kad ten AVR mikrokontroleris, o ten is tikro MSC51 serijos. |
nieko tokio
kaskas man nzn, tame dip trace nerandu DIP20 lizdo :/ |
|
|
|
|
|
 |
nesigauna |
Parašytas: 2006 11 22, 10:26 |
|
|
|
|
Dip schematik eilėje kur bibliotekos susirask Atmel ir ten ieškok AT90S1200
PCB bibliotekoje surask DIP ten surasi DIP20.
PCB padariau pagal pilną shemą be maitinimo šaltinio. Nežinau kaip tau atsiųsti DIPTRACE failiuką. Montuodamas mikroschemas dėk į lizdus (paneles). |
|
|
|
|
|
 |
nesigauna |
Parašytas: 2006 11 22, 14:29 |
|
|
|
|
| Edvidas rašo: |
Dip schematik eilėje kur bibliotekos susirask Atmel ir ten ieškok AT90S1200
PCB bibliotekoje surask DIP ten surasi DIP20.
PCB padariau pagal pilną shemą be maitinimo šaltinio. Nežinau kaip tau atsiųsti DIPTRACE failiuką. Montuodamas mikroschemas dėk į lizdus (paneles). |
ok, labai aciu
jeigu gali atsiusk i aqmass@gmail.com arba per skype, dar kart aciu
 |
|
|
|
|
|
 |
nesigauna |
Parašytas: 2006 11 22, 18:04 |
|
|
|
|
| Pasiunčiau PCB failą, ar gavai? |
|
|
|
|
|
 |
nesigauna |
Parašytas: 2006 11 22, 18:55 |
|
|
|
|
| Edvidas rašo: |
| Pasiunčiau PCB failą, ar gavai? |
nea dar kart pakartosiu adresa del viso pitko aqmass@gmail.com
arba skype aqmass15 |
|
|
|
|
|
 |
nesigauna |
Parašytas: 2006 11 22, 21:10 |
|
|
|
|
| o cia tu padariai viska pagal schema ta kur saita daviau? |
|
|
|
|
|
 |
nesigauna |
Parašytas: 2006 11 22, 21:17 |
|
|
|
|
| Taip, tik nedariau maitinimo bloko, nes neaišku kokias detales naudosi. Jei montuosi pagal supaprastintą schemą perpjausi kai kuriuos takelius ir sujungsi laidukais. Patikrink schemą, kad nebūčiau padaręs klaidų. Sėkmės! |
|
|
|
|
|
 |
nesigauna |
Parašytas: 2006 11 22, 21:28 |
|
|
|
|
o gal gali padaryti pcb pagal ta kur paveiksliukas? tik be maitinimo bloko.
bet dabar dar as pats pabandysiu, gal kas gausis... ten attiny2313. |
|
|
|
|
|
 |
nesigauna |
Parašytas: 2006 11 22, 22:04 |
|
|
|
|
eeee, zmones, padekit, please.....
padarykit sita pcb............... aciu ....
 |
|
|
|
|
|
 |
nesigauna |
Parašytas: 2006 11 22, 22:28 |
|
|
|
|
Nebereik, aciu visiems kas padejot...... labai supykau as ant tos schemos ir pats uzsispyres padariau  |
|
|
|
|
|
 |
nesigauna |
Parašytas: 2006 11 23, 00:02 |
|
|
|
|
| aqmas rašo: |
Nebereik, aciu visiems kas padejot...... labai supykau as ant tos schemos ir pats uzsispyres padariau  |
Vat toks poziuris man labiau patinka  |
|
|
|
|
|
 |
nesigauna |
Parašytas: 2006 11 23, 00:12 |
|
|
|
|
Ot saunuolis  |
|
_________________ Akis už akį, postas už postą!! |
|
|
|
 |
nesigauna |
Parašytas: 2006 11 23, 02:40 |
|
|
|
|
as senaj supykau ant savo teliko, bet jo kineskopas vistiek neatsigauna  |
|
|
|
|
|
|
 |
Google paieška forume |
|
|
 |
Naujos temos forume |
|
 |
FS25 Tractors
Farming Simulator 25 Mods,
FS25 Maps,
FS25 Trucks |
 |
ETS2 Mods
ETS2 Trucks,
ETS2 Bus,
Euro Truck Simulator 2 Mods
|
 |
FS22 Tractors
Farming Simulator 22 Mods,
FS22 Maps,
FS25 Mods |
 |
VAT calculator
VAT number check,
What is VAT,
How much is VAT |
 |
Dantų protezavimas
All on 4 implantai,
Endodontija mikroskopu,
Dantų implantacija |
 |
FS25 Mods
FS25 Maps,
FS25 Cheats,
FS25 Install Mods |
 |
FS25 Mods
Farming Simulator 25 Mods,
FS25 Maps |
 |
ATS Trailers
American Truck Simulator Mods,
ATS Trucks,
ATS Maps |
 |
Must have farming mods
Farming simulator modhub,
Best farming simulator mods |
|

|
 |