 |

|
|
Elektronika.lt portalo forumas
Jūs esate neprisijungęs lankytojas. Norint dalyvauti diskusijose, būtina užsiregistruoti ir prisijungti prie forumo.
Prisijungę galėsite kurti naujas temas, atsakyti į kitų užduotus klausimus, balsuoti forumo apklausose.
Administracija pasilieka teisę pašalinti pasisakymus bei dalyvius,
kurie nesilaiko forumo taisyklių.
Pastebėjus nusižengimus, prašome pranešti.
Dabar yra 2026 05 12, 05:21. Visos datos yra GMT + 2 valandos.
|
|
|
 |
Forumas » Elektronika žaliems » nubraizyti schemos takeliu
|
Jūs negalite rašyti naujų pranešimų į šį forumą Jūs negalite atsakinėti į pranešimus šiame forume Jūs negalite redaguoti savo pranešimų šiame forume Jūs negalite ištrinti savo pranešimų šiame forume Jūs negalite dalyvauti apklausose šiame forume
|
|
|
Puslapis 2 iš 2 Pereiti prie Atgal 1, 2 |
|
 |
nubraizyti schemos takeliu |
Parašytas: 2006 08 11, 13:37 |
|
|
|
|
| aqmas rašo: |
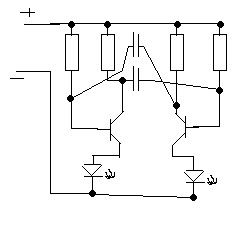
AMn cia spitfire dave toki linka su jau nubraizytu bet gal pagal paveiksliuka galit pasakyt R1 R2 R3 R4 kurie rezistoriai 2k , o kurie 15k.
Aciu
http://www.mashhadkit.com/2004/131.htm |
Tiek nedaug reikia galva pasukti... ziurek i schema ir pamatysi kas su kuo per takelius jungiasi... |
|
|
|
|
|
 |
nubraizyti schemos takeliu |
Parašytas: 2006 08 11, 14:18 |
|
|
|
|
| Spitfire rašo: |
| aqmas rašo: |
AMn cia spitfire dave toki linka su jau nubraizytu bet gal pagal paveiksliuka galit pasakyt R1 R2 R3 R4 kurie rezistoriai 2k , o kurie 15k.
Aciu
http://www.mashhadkit.com/2004/131.htm |
Tiek nedaug reikia galva pasukti... ziurek i schema ir pamatysi kas su kuo per takelius jungiasi... |
R1 R4 - 2K
R2 R3 - 15K
teisingai? |
|
|
|
|
|
 |
nubraizyti schemos takeliu |
Parašytas: 2006 08 11, 18:04 |
|
|
|
|
| Darius rašo: |
R1-22Ω
R2-27K
R3-27K
R4-22Ω
Čia pagal |
bet jeigu naudot ano mirksiuko dalis ir sito schema tai tada
R1- 2k
R2 - 15k
R3 - 15k
R4 - 2k
ane? |
|
|
|
|
|
 |
nubraizyti schemos takeliu |
Parašytas: 2006 08 11, 18:05 |
|
|
|
|
| Darius rašo: |
R1-22Ω
R2-27K
R3-27K
R4-22Ω
Čia pagal |
cia pagal sita turbut ir kondikai kitokie  |
|
|
|
|
|
 |
nubraizyti schemos takeliu |
Parašytas: 2006 08 11, 18:07 |
|
|
|
|
| aqmas rašo: |
| Darius rašo: |
R1-22Ω
R2-27K
R3-27K
R4-22Ω
Čia pagal |
bet jeigu naudot ano mirksiuko dalis ir sito schema tai tada
R1- 2k
R2 - 15k
R3 - 15k
R4 - 2k
ane? |
Taip |
|
|
|
|
|
 |
nubraizyti schemos takeliu |
Parašytas: 2006 08 11, 18:10 |
|
|
|
|
| Darius rašo: |
| aqmas rašo: |
| Darius rašo: |
R1-22Ω
R2-27K
R3-27K
R4-22Ω
Čia pagal |
bet jeigu naudot ano mirksiuko dalis ir sito schema tai tada
R1- 2k
R2 - 15k
R3 - 15k
R4 - 2k
ane? |
Taip |
aaa, tai tada gerai. O kodel buna kondikai melyni, juodi, oranzini? kuo jie skiriasi? |
|
|
|
|
|
 |
nubraizyti schemos takeliu |
Parašytas: 2006 08 11, 18:13 |
|
|
|
|
ir dar kl. pagal sita kai desiu tranzus tai ju emiteris ir baze ir kolektorius atitiks?
 |
|
|
|
|
|
 |
nubraizyti schemos takeliu |
Parašytas: 2006 08 11, 18:19 |
|
|
|
|
| aqmas rašo: |
| Darius rašo: |
| aqmas rašo: |
| Darius rašo: |
R1-22Ω
R2-27K
R3-27K
R4-22Ω
Čia pagal |
bet jeigu naudot ano mirksiuko dalis ir sito schema tai tada
R1- 2k
R2 - 15k
R3 - 15k
R4 - 2k
ane? |
Taip |
aaa, tai tada gerai. O kodel buna kondikai melyni, juodi, oranzini? kuo jie skiriasi? |
Spalva
| aqmas rašo: |
ir dar kl. pagal sita kai desiu tranzus tai ju emiteris ir baze ir kolektorius atitiks?
 |
Tingiu, gal kas kitas pažiūrės. |
|
|
|
|
|
 |
nubraizyti schemos takeliu |
Parašytas: 2006 08 11, 23:21 |
|
|
|
|
jau nebereik kad kas paadrytu takeliu. Su lazeriniu printeriu atsispausdinau, poto su ligintuvu atspaudziau ant plokstes, dar del viso pikto takelius apvedziojau korektorium ir dabar laikau idejas i gelezies clorida. Jau 16 min laikau tuoj reiks patikrint |
|
|
|
|
|
|
 |
Google paieška forume |
|
|
 |
Naujos temos forume |
|
 |
FS25 Tractors
Farming Simulator 25 Mods,
FS25 Maps,
FS25 Trucks |
 |
ETS2 Mods
ETS2 Trucks,
ETS2 Bus,
Euro Truck Simulator 2 Mods
|
 |
FS22 Tractors
Farming Simulator 22 Mods,
FS22 Maps,
FS25 Mods |
 |
Dantų protezavimas
All on 4 implantai,
Endodontija mikroskopu,
Dantų implantacija |
 |
FS25 Mods
FS25 Maps,
FS25 Cheats,
FS25 Install Mods |
 |
FS25 Mods
Farming Simulator 25 Mods,
FS25 Maps |
 |
ATS Trailers
American Truck Simulator Mods,
ATS Trucks,
ATS Maps |
 |
RDR2 Mods
Euro Truck Simulator 2 Mods,
WOT Mods,
Assetto Corsa Rally Mods |
|

|
 |