 |

|
|
Elektronika.lt portalo forumas
Jūs esate neprisijungęs lankytojas. Norint dalyvauti diskusijose, būtina užsiregistruoti ir prisijungti prie forumo.
Prisijungę galėsite kurti naujas temas, atsakyti į kitų užduotus klausimus, balsuoti forumo apklausose.
Administracija pasilieka teisę pašalinti pasisakymus bei dalyvius,
kurie nesilaiko forumo taisyklių.
Pastebėjus nusižengimus, prašome pranešti.
Dabar yra 2026 04 28, 15:48. Visos datos yra GMT + 2 valandos.
|
|
|
 |
Forumas » Garso aparatūra » Elektronika Venta YAY031 remontas
|
Jūs negalite rašyti naujų pranešimų į šį forumą Jūs negalite atsakinėti į pranešimus šiame forume Jūs negalite redaguoti savo pranešimų šiame forume Jūs negalite ištrinti savo pranešimų šiame forume Jūs negalite dalyvauti apklausose šiame forume
|
|
|
 |
Elektronika Venta YAY031 remontas |
Parašytas: 2015 10 14, 12:59 |
|
|
|
|
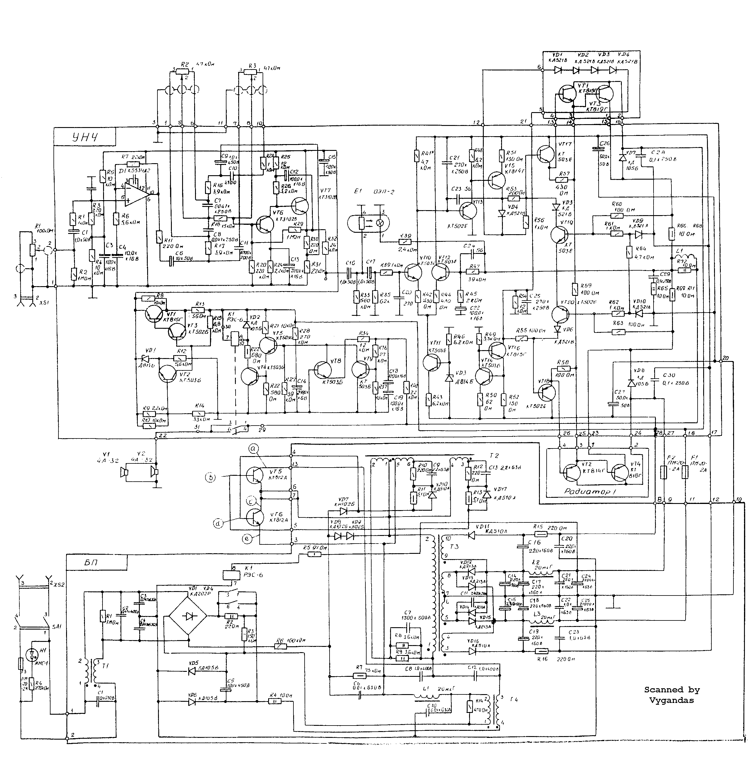
Sveiki,
Gal kas žinote 1990 metų leidimo YAY 031 impulsinio maitinimo šaltinio BP-I1 (kirilica) "C7" aukštos įtampos didelio plastiku apvilkto elektrolito talpą ir įtampą? Jis yra iš karto už tiltelio.
Darius |
|
|
|
|
|
 |
Elektronika Venta YAY031 remontas |
Parašytas: 2015 10 14, 14:05 |
|
|
|
|
Talpos nežinau. Ir varianto su impulsiniu maitinimu nemačiau.
Bet jei tas tiltelis - tinklo įtampos lyginimui, tai elektrolitas turi būti 350V arba 400V, nes ant jo bus virš 300V. Talpą reikia imt kuo didesnę. Kiek telpa pagal gabaritus. apie 220uF - 470uF turėtų pakakti. |
|
|
|
|
|
 |
Elektronika Venta YAY031 remontas |
Parašytas: 2015 10 14, 17:40 |
|
|
|
|
Bėda, kad tuos stiprintuvus darė iš atliekų, tai ką rasdavo iš to sulipdydavo. Jei žadi naudoti pagal paskirtį, pakeisk stiprintuvą ir maitinimą į normalesnius. |
|
|
|
|
|
 |
Elektronika Venta YAY031 remontas |
Parašytas: 2015 10 15, 10:40 |
|
|
|
|
| hencia rašo: |
| Gediminas rašo: |
| pakeisk stiprintuvą ir maitinimą į normalesnius. |
Bet tada jau bus NE Вента УАУ 031  |
Jei remontas yra pakeisti vieną elektrolitinį kondensatorių - tai pirmyn! |
|
_________________ Tel. Nr. 86045396penki |
|
|
|
 |
 |
Elektronika Venta YAY031 remontas |
Parašytas: 2015 10 15, 12:14 |
|
|
|
|
| hencia rašo: |
| Gediminas rašo: |
| pakeisk stiprintuvą ir maitinimą į normalesnius. |
Bet tada jau bus NE Вента УАУ 031  |
Čia tinka principas, kad įdėjus į šūdą uogienės, vistiek tai bus šūdas. Autentiškumo laikytis neverta, nes ten kiekviena kolonėlė būdavo autentiška. Kažkada reikėjo iš 10 tokių stiprintuvų surinkti bent 6 veikiančius. Visi buvo skirtingi. Vieni degdavo nuo apkrovos, kiti nuo tuščios eigos, kiti šiaip vėjo krypčiai pasikeitus. Būdavo pasitaiko ir vykusių egzempliorių, kurių niekaip nepavykdavo sudeginti.
Čia dar viena istorija iš Ventų gyvenimo:
http://forum.elektronika.lt/viewtopic.php?t=90348&postdays=0&postorder=asc&highlight=venta&start=30 |
|
|
|
|
|
|
 |
Google paieška forume |
|
|
 |
Naujos temos forume |
|
 |
FS25 Tractors
Farming Simulator 25 Mods,
FS25 Maps,
FS25 Trucks |
 |
ETS2 Mods
ETS2 Trucks,
ETS2 Bus,
Euro Truck Simulator 2 Mods
|
 |
FS22 Tractors
Farming Simulator 22 Mods,
FS22 Maps,
FS25 Mods |
 |
Dantų protezavimas
All on 4 implantai,
Endodontija mikroskopu,
Dantų implantacija |
 |
FS25 Mods
FS25 Maps,
FS25 Cheats,
FS25 Install Mods |
 |
FS25 Mods
Farming Simulator 25 Mods,
FS25 Maps |
 |
ATS Trailers
American Truck Simulator Mods,
ATS Trucks,
ATS Maps |
 |
RDR2 Mods
Euro Truck Simulator 2 Mods,
WOT Mods,
Assetto Corsa Rally Mods |
|

|
 |