 |

|
|
Elektronika.lt portalo forumas
Jūs esate neprisijungęs lankytojas. Norint dalyvauti diskusijose, būtina užsiregistruoti ir prisijungti prie forumo.
Prisijungę galėsite kurti naujas temas, atsakyti į kitų užduotus klausimus, balsuoti forumo apklausose.
Administracija pasilieka teisę pašalinti pasisakymus bei dalyvius,
kurie nesilaiko forumo taisyklių.
Pastebėjus nusižengimus, prašome pranešti.
Dabar yra 2025 12 21, 20:03. Visos datos yra GMT + 2 valandos.
|
|
|
 |
Forumas » Maitinimo šaltiniai » gedimas DC/DC keitiklyje
|
Jūs negalite rašyti naujų pranešimų į šį forumą Jūs negalite atsakinėti į pranešimus šiame forume Jūs negalite redaguoti savo pranešimų šiame forume Jūs negalite ištrinti savo pranešimų šiame forume Jūs negalite dalyvauti apklausose šiame forume
|
|
|
 |
gedimas DC/DC keitiklyje |
Parašytas: 2012 11 18, 12:59 |
|
|
|
|
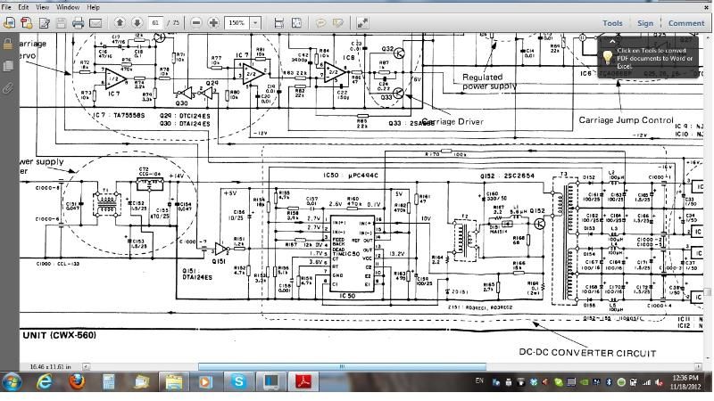
reikia pagalbos surasti gedimą, niekaip nepasileidžia grotuvo maitinimas, pridedu schemą
http://i55.photobucket.com/albums/g143/Omsonas/pioneer.jpg
iki trafų +12v ateina, prie q151 +5v yra, ties q152 vidurinėje kojoje yra +12v už transformatorių jokios gyvybės, esu silpnas žinovas šioje srityje tai labai nesmerkite. Gal kas galėtumėt nurodyti, į kuriuos mazgus reikia labiau atkreipti dėmesį, kokius matavimus atlikti, kad lengviau būtų rasti bėdą? Kas sutiks pagelbėti atsiūsiu pilną service manual. |
|
|
|
|
|
 |
gedimas DC/DC keitiklyje |
Parašytas: 2012 11 18, 14:21 |
|
|
|
|
| žiūrėk mikroschemą IC50, 494 tipo, kaip supratau. Paatikrini visas įtampas ant jos pinų. Ji valdo transformerį T2, o jis atidarinėja Q152 tranzistorių |
|
|
|
|
|
 |
gedimas DC/DC keitiklyje |
Parašytas: 2012 11 18, 15:11 |
|
|
|
|
| vidas.k rašo: |
| žiūrėk mikroschemą IC50, 494 tipo, kaip supratau. Paatikrini visas įtampas ant jos pinų. Ji valdo transformerį T2, o jis atidarinėja Q152 tranzistorių |
ačiū už atsakymą, dabar viskas aiškiau pasidarė |
|
|
|
|
|
|
 |
Google paieška forume |
|
|
 |
Naujos temos forume |
|
 |
FS25 Tractors
Farming Simulator 25 Mods,
FS25 Maps,
FS25 Trucks |
 |
ETS2 Mods
ETS2 Trucks,
ETS2 Bus,
Euro Truck Simulator 2 Mods
|
 |
FS22 Tractors
Farming Simulator 22 Mods,
FS22 Maps,
FS25 Mods |
 |
Dantų protezavimas
All on 4 implantai,
Endodontija mikroskopu,
Dantų implantacija |
 |
FS25 Mods
FS25 Maps,
FS25 Cheats,
FS25 Install Mods |
 |
FS25 Mods
Farming Simulator 25 Mods,
FS25 Maps |
 |
ATS Trailers
American Truck Simulator Mods,
ATS Trucks,
ATS Maps |
 |
Must have farming mods
Farming simulator modhub,
Best farming simulator mods |
|

|
 |