Elektronika.lt
 2026 m. balandžio 29 d. Projektas | Reklama | Žinokite | Klausimai | Prisidėkite | Atsiliepimai | Kontaktai
Paieška portale
EN Facebook RSS

 Kas naujo  Katalogas  Parduotuvės  Forumas  Tinklaraščiai
 Pirmas puslapisSąrašas
 Forumas / + pokalbiai
 - Paieška forume
 - D.U.K. / Forumo taisyklės
 - Narių sąrašas
 - Registruotis
 - Prisijungti

Elektronika.lt portalo forumas

Jūs esate neprisijungęs lankytojas. Norint dalyvauti diskusijose, būtina užsiregistruoti ir prisijungti prie forumo. Prisijungę galėsite kurti naujas temas, atsakyti į kitų užduotus klausimus, balsuoti forumo apklausose.

Administracija pasilieka teisę pašalinti pasisakymus bei dalyvius, kurie nesilaiko forumo taisyklių. Pastebėjus nusižengimus, prašome pranešti.

Dabar yra 2026 04 29, 03:44. Visos datos yra GMT + 2 valandos.
 Forumas » Elektronika žaliems » kempo sroves reguliavimas
Jūs negalite rašyti naujų pranešimų į šį forumą
Jūs negalite atsakinėti į pranešimus šiame forume
Jūs negalite redaguoti savo pranešimų šiame forume
Jūs negalite ištrinti savo pranešimų šiame forume
Jūs negalite dalyvauti apklausose šiame forume
 
  
Puslapis 12
Pereiti prie 1, 2  Toliau
Pradėti naują temą  Atsakyti į pranešimą Rodyti ankstesnį pranešimą :: Rodyti kitą pranešimą 
 kempo sroves reguliavimas
PranešimasParašytas: 2012 07 01, 12:14 Pranešti apie taisyklių pažeidimą Atsakyti su citata
Litex
Naujokas
Naujokas
Peržiūrėti vartotojo aprašymą Siųsti asmeninį pranešimą
Sveiki, turiu cia toki trifazi kempa kurio trafu pirmines reguliuojamos per 4 padetis. Noretusi kazka padoresnio padaryti, nes daznai reiketu ir tarpines padeties. Panasus valdymas ir vielos padavimo buvo, tai perdariau per pwm-, bet su kempo trafais idomu kas ten gausis pvz triakus per optopora pwmu
 Re: kempo sroves reguliavimas
PranešimasParašytas: 2012 07 01, 12:47 Pranešti apie taisyklių pažeidimą Atsakyti su citata
vidas.k
Senbuvis
Senbuvis
Peržiūrėti vartotojo aprašymą Siųsti asmeninį pranešimą
Litex rašo:
Sveiki, turiu cia toki trifazi kempa kurio trafu pirmines reguliuojamos per 4 padetis. Noretusi kazka padoresnio padaryti, nes daznai reiketu ir tarpines padeties. Panasus valdymas ir vielos padavimo buvo, tai perdariau per pwm-, bet su kempo trafais idomu kas ten gausis pvz triakus per optopora pwmu


reguliuoti galingą trafą per pirminę apviją yra blogas sumanymas. Iš principo blogas. O antrinėje, panaudojus vietoje diodų tiristorius- jau neblogai. Beje, galingi tiristoriai- 200A ar pan , yra gana nebrangūs, ir gali rasti nesunkiauii kad ir turguje. Tik reikia schemos truifaziam tiltui valdyti, ji nėra labai paprasta
 kempo sroves reguliavimas
PranešimasParašytas: 2012 07 01, 14:33 Pranešti apie taisyklių pažeidimą Atsakyti su citata
Litex
Naujokas
Naujokas
Peržiūrėti vartotojo aprašymą Siųsti asmeninį pranešimą
Dekui , supratau, na investuoti daug nesinori. teks bent jungiklio paieskoti rimtesniais kontaktais, nes tas jau pavarges 10 kartu taisytas, arba isvis persidaryti ant magnetinuku .
 kempo sroves reguliavimas
PranešimasParašytas: 2012 07 01, 23:18 Pranešti apie taisyklių pažeidimą Atsakyti su citata
Litex
Naujokas
Naujokas
Peržiūrėti vartotojo aprašymą Siųsti asmeninį pranešimą
Na dar galvoju kas gautusi jeigu pacias apvijas perjungciau pvz 1 faze II padetis , 2 faze II padetis o pvz 3 faze I padetis . Daleiskim dabar padetys butu I-80A II-120A, III-160A, IV-200A. Tai II padetyje visos butu po 40A, na pirmoje kazkur po 27A. o jei as padaryciau vienam trafui ale perjungeja toki tarpinei padeciai, na 40+40+27 ? iseina gi per diodus tai turetu normaliai veikti
 kempo sroves reguliavimas
PranešimasParašytas: 2012 07 02, 17:49 Pranešti apie taisyklių pažeidimą Atsakyti su citata
vidas.k
Senbuvis
Senbuvis
Peržiūrėti vartotojo aprašymą Siųsti asmeninį pranešimą
Litex rašo:
Na dar galvoju kas gautusi jeigu pacias apvijas perjungciau pvz 1 faze II padetis , 2 faze II padetis o pvz 3 faze I padetis . Daleiskim dabar padetys butu I-80A II-120A, III-160A, IV-200A. Tai II padetyje visos butu po 40A, na pirmoje kazkur po 27A. o jei as padaryciau vienam trafui ale perjungeja toki tarpinei padeciai, na 40+40+27 ? iseina gi per diodus tai turetu normaliai veikti


sunku pasakyti, bet bus stiprus išėjimo įtampos pulsavimas. Gamykliniuose aparatuose taip nedaroma. Bus nestabilus lankas. O gal pas tave visa problema blogame perjungiklyje, tai pasidaryk su magnetiniais, kaip rašei
 kempo sroves reguliavimas
PranešimasParašytas: 2012 07 02, 18:21 Pranešti apie taisyklių pažeidimą Atsakyti su citata
Digix
VIP narys
VIP narys
Peržiūrėti vartotojo aprašymą Siųsti asmeninį pranešimą
reiketu suzinoti koks ten transformatorius idetas, jei pirmine ir antrine asuskta atskirai butu galima mastyti apie magnetinio lauko uztrumpinima kaip tai daroma mikrobangiu transformatoriuose.

dar vienas varisntas naudoti magnetini stiprintuva.
deja jei ten trifaze sistema reikes 3 droseliu.

valdomas tiltelis isejime visgi parasciausias variantas, nebent galima dar pagalvoti apie stabilizatoriu su galingais mosfetais kuris leidzia pasiekti idealia charakretistika. bet cia jau teks siek tiek mokslinio darbo atlikti kuriant shema.
 kempo sroves reguliavimas
PranešimasParašytas: 2012 07 02, 18:46 Pranešti apie taisyklių pažeidimą Atsakyti su citata
Zuperis
Senbuvis
Senbuvis
Peržiūrėti vartotojo aprašymą Siųsti asmeninį pranešimą
Gali daryti su пме paleidejais,bet ju reikes visos kruvos Exclamation

_________________
Nori būti laimingas visą gyvenimą - būk sąžiningas žmogus.
Tomas Fuleris
 kempo sroves reguliavimas
PranešimasParašytas: 2012 07 02, 22:23 Pranešti apie taisyklių pažeidimą Atsakyti su citata
Litex
Naujokas
Naujokas
Peržiūrėti vartotojo aprašymą Siųsti asmeninį pranešimą
Dekui uz pamastymus. Na reikes pirmiausia paparasciausia varianta pabandyti su tuo perjungeju , vistiek stovi pries droseli kondikai turetu palyginti itampa. Resim siule ir bus aisku, jei nesigaus tada pamastysim apie kazka padoresnio su antrine. Smile bet tu variantu su antrines valdymu nete sociai randu tik reiks pasidometi kas normaliau veikia. Man su pwm'u tiktu, galiu kad ir is atmegos valdyma palestiti , bet su trifaziu dar nedares nieko panasaus. itariu reikia atskiru 3 kanalu su praslinktu impulsu?
 kempo sroves reguliavimas
PranešimasParašytas: 2012 07 03, 00:14 Pranešti apie taisyklių pažeidimą Atsakyti su citata
Digix
VIP narys
VIP narys
Peržiūrėti vartotojo aprašymą Siųsti asmeninį pranešimą
padaryti tiristoriu valdyma su procesoriumi labai lengva. trifazis nuo vienfazio skiriasi tik tuo kad trifazis 3 kartus daugiau faziu turi
 kempo sroves reguliavimas
PranešimasParašytas: 2012 07 03, 00:50 Pranešti apie taisyklių pažeidimą Atsakyti su citata
Elektronix
Patyręs dalyvis
Patyręs dalyvis
Peržiūrėti vartotojo aprašymą Siųsti asmeninį pranešimą
pasmane lygiai taspats 2 jungikliai 4 padetys ir tikrai reikia kartais primazint ir kartais tarpinio varijanto tik pas mane vienfazis.
 kempo sroves reguliavimas
PranešimasParašytas: 2012 07 03, 07:41 Pranešti apie taisyklių pažeidimą Atsakyti su citata
caca
Patyręs dalyvis
Patyręs dalyvis
Peržiūrėti vartotojo aprašymą Siųsti asmeninį pranešimą Siųsti el. laišką
Digix rašo:
padaryti tiristoriu valdyma su procesoriumi labai lengva. trifazis nuo vienfazio skiriasi tik tuo kad trifazis 3 kartus daugiau faziu turi



lengva, kol jungimas ne trikampiu... Wink

_________________
Nieko taip lengvai nedaliname, kaip patarimus...
 kempo sroves reguliavimas
PranešimasParašytas: 2012 07 03, 13:39 Pranešti apie taisyklių pažeidimą Atsakyti su citata
Elektronix
Patyręs dalyvis
Patyręs dalyvis
Peržiūrėti vartotojo aprašymą Siųsti asmeninį pranešimą
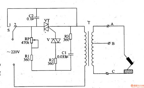
Ka manot apie toki varijanta? (kalbant apie vienfazi)

 kempo sroves reguliavimas
PranešimasParašytas: 2012 07 03, 14:13 Pranešti apie taisyklių pažeidimą Atsakyti su citata
Digix
VIP narys
VIP narys
Peržiūrėti vartotojo aprašymą Siųsti asmeninį pranešimą
veiks bet gana bjauriai.
su kintama itampa ir taip bjauriai veikia o cia dar ir iskarpyta kintama.

jei isejime butu tiltelis ir droselis tai butu galima dadeti papildoma dioda ir viskas turetu veikti gerai
 kempo sroves reguliavimas
PranešimasParašytas: 2012 07 03, 17:41 Pranešti apie taisyklių pažeidimą Atsakyti su citata
Elektronix
Patyręs dalyvis
Patyręs dalyvis
Peržiūrėti vartotojo aprašymą Siųsti asmeninį pranešimą
na manau kempe visa tai bus , o panaudot tik shemos dali iki transformatoriaus.
 kempo sroves reguliavimas
PranešimasParašytas: 2012 07 03, 18:05 Pranešti apie taisyklių pažeidimą Atsakyti su citata
vidas.k
Senbuvis
Senbuvis
Peržiūrėti vartotojo aprašymą Siųsti asmeninį pranešimą
Elektronix rašo:
na manau kempe visa tai bus , o panaudot tik shemos dali iki transformatoriaus.


ta schema shudina
Pradėti naują temą  Atsakyti į pranešimą Pereiti prie 1, 2  Toliau
 
Forumo sistema: phpBB
 „Google“ paieška forume
 Kas naujesnio?
 Naujos temos forume

Global electronic components distributor – Allicdata Electronics

Electronic component supply – „Eurodis Electronics“

LOKMITA – įvairi matavimo, testavimo, analizės ir litavimo produkcija

Full feature custom PCB prototype service

Technologijos.lt

Mokslo festivalis „Erdvėlaivis Žemė

LTV.LT - lietuviškų tinklalapių vitrina

„Konstanta 42“

„Mokslo sriuba“

www.matuok.lt - Interneto spartos matavimo sistema

Programuotojas Tautvydas – interneto svetainių-sistemų kūrimas

PriedaiMobiliems.lt – telefonų priedai ir aksesuarai

Draugiškas internetas

FS25 Tractors
Farming Simulator 25 Mods, FS25 Maps, FS25 Trucks
ETS2 Mods
ETS2 Trucks, ETS2 Bus, Euro Truck Simulator 2 Mods
FS22 Tractors
Farming Simulator 22 Mods, FS22 Maps, FS25 Mods
Dantų protezavimas
All on 4 implantai,
Endodontija mikroskopu,
Dantų implantacija
FS25 Mods
FS25 Maps, FS25 Cheats, FS25 Install Mods
FS25 Mods
Farming Simulator 25 Mods,
FS25 Maps
ATS Trailers
American Truck Simulator Mods, ATS Trucks, ATS Maps
RDR2 Mods
Euro Truck Simulator 2 Mods, WOT Mods, Assetto Corsa Rally Mods
Reklama
‡ 1999– © Elektronika.lt | Autoriaus teisės | Privatumo politika | Atsakomybės ribojimas | Turinys | Reklama | Kontaktai LTV.LT - lietuviškų tinklalapių vitrina
ScriptHookV, GTA 5 Mods, GTA 5 Map Mods
gta5mod.net
„MokslasPlius“ – mokslui skirtų svetainių portalas
www.mokslasplius.lt
Būk saugus
elektroninėje erdvėje

www.esaugumas.lt
LTV.LT – lietuviškų tinklalapių vitrina
www.ltv.lt/technologijos/
Elektroninių parduotuvių optimizavimas „Google“ paieškos sistemai
www.seospiders.lt
Mokslo festivalis „Erdvėlaivis žemė“
www.mokslofestivalis.eu
Reklama


Reklama