 |

|
|
Elektronika.lt portalo forumas
Jūs esate neprisijungęs lankytojas. Norint dalyvauti diskusijose, būtina užsiregistruoti ir prisijungti prie forumo.
Prisijungę galėsite kurti naujas temas, atsakyti į kitų užduotus klausimus, balsuoti forumo apklausose.
Administracija pasilieka teisę pašalinti pasisakymus bei dalyvius,
kurie nesilaiko forumo taisyklių.
Pastebėjus nusižengimus, prašome pranešti.
Dabar yra 2026 04 25, 10:52. Visos datos yra GMT + 2 valandos.
|
|
|
 |
Forumas » Elektronika žaliems » Del VU metro
|
Jūs negalite rašyti naujų pranešimų į šį forumą Jūs negalite atsakinėti į pranešimus šiame forume Jūs negalite redaguoti savo pranešimų šiame forume Jūs negalite ištrinti savo pranešimų šiame forume Jūs negalite dalyvauti apklausose šiame forume
|
|
|
Puslapis 1 iš 2 Pereiti prie 1, 2 Toliau |
|
 |
Del VU metro |
Parašytas: 2012 01 31, 20:13 |
|
|
|
|
| Pasidariau VU metra ir man jame nepatinka tai, kad pagarsinus stiprintuva(prie kurio prijungtas VU metras) jis ima smarkau mirkseti. tada turi su paderinamu rezistoriumi mazinti jautruma. bet labai nepatogu tai daryti. ka reikia padaryti kad pagarsinus ar patylinus stiprintuva VU metras mirksetu vienodai? |
|
|
|
|
|
 |
Del VU metro |
Parašytas: 2012 01 31, 20:20 |
|
|
|
|
Nu tu duodi :d. VU meteris tam ir skirtas, kad rodytu muzikos stipruma. Muzika groja garsiau, ir vu meteris sviecia stipriau. Muzika groja tyliau ir vu meteris sviecia silpniau. Tam jis ir skirtas. Arba as kazko nesupratau kas pas tave per problema.
P.S. Jai naudoji 10k potenciometra ta toki maziuka visai, tai jį juk gali pakeisti didesniu, su kuriuo bus visai patogu reguliuti: pvz dek toki: http://lemona.lt/index.php?page=item&i_id=48932 |
|
|
|
|
|
 |
Del VU metro |
Parašytas: 2012 01 31, 20:44 |
|
|
|
|
| na as ta vu metra pasidariau del grozio o ne matuoti ta garsa;) o tai neiseitu taip padaryti? |
|
|
|
|
|
 |
Del VU metro |
Parašytas: 2012 01 31, 20:58 |
|
|
|
|
| Pasidaryk papildomus stiprintuvėlius išskirtinai tik tam VU meteriui ir bus jis tau gražiai veikiantys nuo garso lygio nepriklausomas. |
|
|
|
|
|
 |
Del VU metro |
Parašytas: 2012 01 31, 23:42 |
|
|
|
|
| Gediminas rašo: |
| Junk pries stiprintuva. |
Man atrodo, kad vistiek tas pats bus, nes ir man kazkada panasiai buvo kaip temos autoriui, tik kad as toliau nieko ir nedariau, bet buvau pabandes deti ir pries stiprintuva, bet buvo tas pats. Sauliaus variantas visai neblogas, kad stiprintuva tam prietaisui sukonstruoti reikia. |
|
|
|
|
|
 |
Del VU metro |
Parašytas: 2012 02 01, 09:48 |
|
|
|
|
| kesiukas rašo: |
| Gediminas rašo: |
| Junk pries stiprintuva. |
Man atrodo, kad vistiek tas pats bus, nes ir man kazkada panasiai buvo kaip temos autoriui, tik kad as toliau nieko ir nedariau, bet buvau pabandes deti ir pries stiprintuva, bet buvo tas pats. Sauliaus variantas visai neblogas, kad stiprintuva tam prietaisui sukonstruoti reikia. |
Jei garsa reguliuoji stiprintuve, o VU meteris pajungtas pries stiprintuva tai kaip gali buti tas pats? |
|
|
|
|
|
 |
Del VU metro |
Parašytas: 2012 02 01, 11:15 |
|
|
|
|
| Na man labiausiai patiko kesiuko variantas. bet kaip reikia potensiometro kojeles sujungt? |
|
|
|
|
|
 |
Del VU metro |
Parašytas: 2012 02 01, 11:40 |
|
|
|
|
| nu tai jas jungi taip, kaip jungiai ta maza potenciometra su kuriuo buvo nepatogu reguliuoti. Vidurine koja ten pat, ir sonines kojas taip pat. |
|
|
|
|
|
 |
Del VU metro |
Parašytas: 2012 02 01, 15:38 |
|
|
|
|
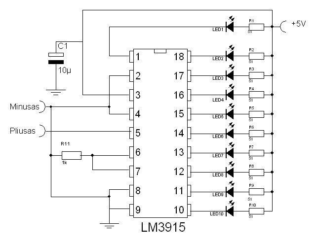
Zymejima biski pasiziurek koks yra . O siaip cia minusas tai ground zenklas... |
|
|
|
|
|
 |
Del VU metro |
Parašytas: 2012 02 01, 16:21 |
|
|
|
|
| tas kur prie kondiko (c1) izeminimas - yra? |
|
|
|
|
|
 |
Del VU metro |
Parašytas: 2012 02 01, 16:26 |
|
|
|
|
| Vaidas999 rašo: |
| tas kur prie kondiko (c1) izeminimas - yra? |
Taip. |
|
|
|
|
|
 |
Del VU metro |
Parašytas: 2012 02 01, 16:40 |
|
|
|
|
| Vaidas999 rašo: |
| tas kur prie kondiko (c1) izeminimas - yra? |
Taip. Ten jungi minusa. |
|
|
|
|
|
 |
Del VU metro |
Parašytas: 2012 02 01, 17:39 |
|
|
|
|
| o ka manote apie sia schema? beje kokius rezistorius naudoti kur prie led yra? |
|
|
|
|
|
|
 |
Google paieška forume |
|
|
 |
Naujos temos forume |
|
 |
FS25 Tractors
Farming Simulator 25 Mods,
FS25 Maps,
FS25 Trucks |
 |
ETS2 Mods
ETS2 Trucks,
ETS2 Bus,
Euro Truck Simulator 2 Mods
|
 |
FS22 Tractors
Farming Simulator 22 Mods,
FS22 Maps,
FS25 Mods |
 |
Dantų protezavimas
All on 4 implantai,
Endodontija mikroskopu,
Dantų implantacija |
 |
FS25 Mods
FS25 Maps,
FS25 Cheats,
FS25 Install Mods |
 |
FS25 Mods
Farming Simulator 25 Mods,
FS25 Maps |
 |
ATS Trailers
American Truck Simulator Mods,
ATS Trucks,
ATS Maps |
 |
RDR2 Mods
Euro Truck Simulator 2 Mods,
WOT Mods,
Assetto Corsa Rally Mods |
|

|
 |