 |

|
|
Elektronika.lt portalo forumas
Jūs esate neprisijungęs lankytojas. Norint dalyvauti diskusijose, būtina užsiregistruoti ir prisijungti prie forumo.
Prisijungę galėsite kurti naujas temas, atsakyti į kitų užduotus klausimus, balsuoti forumo apklausose.
Administracija pasilieka teisę pašalinti pasisakymus bei dalyvius,
kurie nesilaiko forumo taisyklių.
Pastebėjus nusižengimus, prašome pranešti.
Dabar yra 2025 12 09, 20:31. Visos datos yra GMT + 2 valandos.
|
|
|
 |
Forumas » Elektronika žaliems » Pora klausimu del VU shemos...
|
Jūs negalite rašyti naujų pranešimų į šį forumą Jūs negalite atsakinėti į pranešimus šiame forume Jūs negalite redaguoti savo pranešimų šiame forume Jūs negalite ištrinti savo pranešimų šiame forume Jūs negalite dalyvauti apklausose šiame forume
|
|
|
 |
Pora klausimu del VU shemos... |
Parašytas: 2007 06 19, 17:17 |
|
|
|
|
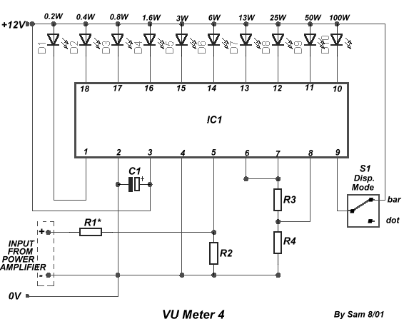
| "reikia tik vieno indikatoriaus" - o ka tu nori matyti su juo - gal galima tai padaryti pigiau ir paprasciau? |
|
|
|
|
|
 |
Pora klausimu del VU shemos... |
Parašytas: 2007 06 19, 18:31 |
|
|
|
|
Jei tau reikia tik vienos padeties,paprasciau naudoti komparatoriu-gali imt tiek specializuota mikre,galima taip pat panaudot bet koky op.ampa.Jungikliu,kokiu tu nori yra,pvz Evitoje-vakarietiski mazesni,bet brangesni uz rusiskus,pvz.
 |
|
|
|
|
|
|
 |
Google paieška forume |
|
|
 |
Naujos temos forume |
|
 |
FS25 Tractors
Farming Simulator 25 Mods,
FS25 Maps,
FS25 Trucks |
 |
ETS2 Mods
ETS2 Trucks,
ETS2 Bus,
Euro Truck Simulator 2 Mods
|
 |
FS22 Tractors
Farming Simulator 22 Mods,
FS22 Maps,
FS25 Mods |
 |
Dantų protezavimas
All on 4 implantai,
Endodontija mikroskopu,
Dantų implantacija |
 |
FS25 Mods
FS25 Maps,
FS25 Cheats,
FS25 Install Mods |
 |
FS25 Mods
Farming Simulator 25 Mods,
FS25 Maps |
 |
ATS Trailers
American Truck Simulator Mods,
ATS Trucks,
ATS Maps |
 |
Must have farming mods
Farming simulator modhub,
Best farming simulator mods |
|

|
 |