 |

|
|
Elektronika.lt portalo forumas
Jūs esate neprisijungęs lankytojas. Norint dalyvauti diskusijose, būtina užsiregistruoti ir prisijungti prie forumo.
Prisijungę galėsite kurti naujas temas, atsakyti į kitų užduotus klausimus, balsuoti forumo apklausose.
Administracija pasilieka teisę pašalinti pasisakymus bei dalyvius,
kurie nesilaiko forumo taisyklių.
Pastebėjus nusižengimus, prašome pranešti.
Dabar yra 2025 11 24, 22:27. Visos datos yra GMT + 2 valandos.
|
|
|
 |
Forumas » Elektronika žaliems » + ir -
|
Jūs negalite rašyti naujų pranešimų į šį forumą Jūs negalite atsakinėti į pranešimus šiame forume Jūs negalite redaguoti savo pranešimų šiame forume Jūs negalite ištrinti savo pranešimų šiame forume Jūs negalite dalyvauti apklausose šiame forume
|
|
|
 |
+ ir - |
Parašytas: 2006 11 12, 19:02 |
|
|
|
|
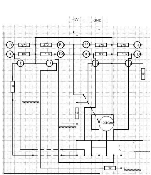
sweiki, nebesusigaudau....
1. paprasto LED, IR diodo, IR fototranzo ilgesnes kojos yra + ?
2. kur siotije pcb turetu buti IR; TD; D pliusai o kur minusai?
IR-IR diodas (melynas)
TD-IR fototranzas (permatomas)
D-LED
aciu  |
|
|
|
|
|
|
 |
Google paieška forume |
|
|
 |
Naujos temos forume |
|
 |
FS25 Tractors
Farming Simulator 25 Mods,
FS25 Maps,
FS25 Trucks |
 |
ETS2 Mods
ETS2 Trucks,
ETS2 Bus,
Euro Truck Simulator 2 Mods
|
 |
FS22 Tractors
Farming Simulator 22 Mods,
FS22 Maps,
FS25 Mods |
 |
VAT calculator
VAT number check,
What is VAT,
How much is VAT |
 |
Dantų protezavimas
All on 4 implantai,
Endodontija mikroskopu,
Dantų implantacija |
 |
FS25 Mods
FS25 Maps,
FS25 Cheats,
FS25 Install Mods |
 |
FS25 Mods
Farming Simulator 25 Mods,
FS25 Maps |
 |
ATS Trailers
American Truck Simulator Mods,
ATS Trucks,
ATS Maps |
 |
Must have farming mods
Farming simulator modhub,
Best farming simulator mods |
|

|
 |