 |

|
|
Elektronika.lt portalo forumas
Jūs esate neprisijungęs lankytojas. Norint dalyvauti diskusijose, būtina užsiregistruoti ir prisijungti prie forumo.
Prisijungę galėsite kurti naujas temas, atsakyti į kitų užduotus klausimus, balsuoti forumo apklausose.
Administracija pasilieka teisę pašalinti pasisakymus bei dalyvius,
kurie nesilaiko forumo taisyklių.
Pastebėjus nusižengimus, prašome pranešti.
Dabar yra 2025 12 13, 04:11. Visos datos yra GMT + 2 valandos.
|
|
|
 |
Forumas » Elektronika žaliems » TDA8561 klausimai
|
Jūs negalite rašyti naujų pranešimų į šį forumą Jūs negalite atsakinėti į pranešimus šiame forume Jūs negalite redaguoti savo pranešimų šiame forume Jūs negalite ištrinti savo pranešimų šiame forume Jūs negalite dalyvauti apklausose šiame forume
|
|
|
Puslapis 1 iš 3 Pereiti prie 1, 2, 3 Toliau |
|
 |
TDA8561 klausimai |
Parašytas: 2016 01 20, 16:01 |
|
|
|
|
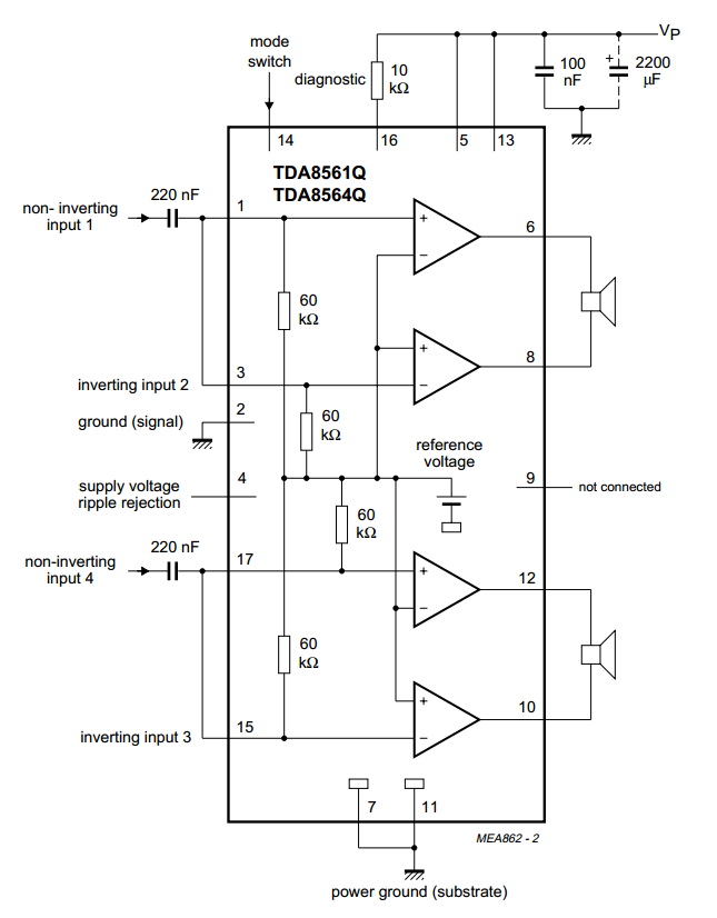
1. Jeigu man nereikalingas mute, tai 14 koją tiesiog prie + prisjungti?
2. Kas tas supply voltage ripple rejection ir kur pajungti tą 4 koją?
3. Prie iėjimo reikia 220nf kondensatoriu, ar blogai butu jei idėčiau 100nf?
 |
|
|
|
|
|
 |
Re: TDA8561 klausimai |
Parašytas: 2016 01 20, 16:13 |
|
|
|
|
| stagesix rašo: |
| 1. Jeigu man nereikalingas mute, tai 14 koją tiesiog prie + prisjungti? |
Taip
| Citata: |
| 2. Kas tas supply voltage ripple rejection ir kur pajungti tą 4 koją? |
Per 100 uF kondensatorių į GND
| Citata: |
| 3. Prie iėjimo reikia 220nf kondensatoriu, ar blogai butu jei idėčiau 100nf? |
Pabandyk, jei nenupjaus aukštų dažnių tai nieko baisaus. |
|
|
|
|
|
 |
Re: TDA8561 klausimai |
Parašytas: 2016 01 20, 16:19 |
|
|
|
|
| Gediminas rašo: |
| Citata: |
| 3. Prie iėjimo reikia 220nf kondensatoriu, ar blogai butu jei idėčiau 100nf? |
Pabandyk, jei nenupjaus aukštų dažnių tai nieko baisaus. |
Aukštų nenupjaus, bet žemus - nupjaus. |
|
_________________ Tel. Nr. 86045396penki |
|
|
|
 |
Re: TDA8561 klausimai |
Parašytas: 2016 01 20, 16:21 |
|
|
|
|
| stagesix rašo: |
| 1. Jeigu man nereikalingas mute, tai 14 koją tiesiog prie + prisjungti? |
Ne! Skaityk mikroschemos aprašymą. Viskas parašyta.
| Citata: |
| 2. Kas tas supply voltage ripple rejection ir kur pajungti tą 4 koją? |
Skaityk mikroschemos aprašymą.
| Citata: |
3 . Prie iėjimo reikia 220nf kondensatoriu, ar blogai butu jei idėčiau 100nf?
|
Teoriškai gali žemų sumažėti. TEORIŠKAI. |
|
_________________ If nobody hates you you're doing something boring |
|
|
|
 |
Re: TDA8561 klausimai |
Parašytas: 2016 01 20, 17:12 |
|
|
|
|
| Evaldas_S rašo: |
| stagesix rašo: |
| 1. Jeigu man nereikalingas mute, tai 14 koją tiesiog prie + prisjungti? |
Ne! Skaityk mikroschemos aprašymą. Viskas parašyta. |
Nu apie pajungimą kai jis nereikalingas nepastebėjau, galbūt blogai žiūrėjau, bet radau tik mute schema |
|
|
|
|
|
 |
TDA8561 klausimai |
Parašytas: 2016 01 20, 17:34 |
|
|
|
|
Mode select switch
To avoid switch-on plops, it is advised to keep the amplifier
in the mute mode during >100 ms (charging of the input
capacitors at pins 1, 3, 15 and 17.
The circuit in Fig.11 slowly ramps up the voltage at the
mode select switch pin when switching on and results in
fast muting when switching off.
Pajungus 14 koją į pliusą viskas veiks, tik įjungiant maitinimą bus bumtelėjimas per garsiakalbius. Jei nori kad to nebūtų daryk mute schemą pagal datasheetą arba tiesiog surink vėlinimo grandinę iš varžos ir kondensatoriaus. |
|
|
|
|
|
 |
TDA8561 klausimai |
Parašytas: 2016 01 20, 17:37 |
|
|
|
|
Tai tą aš supratau, tik norėjau pasitikslinti ar į + jungtį. Ačiū visiems už atsakymus  |
|
|
|
|
|
 |
TDA8561 klausimai |
Parašytas: 2016 01 20, 19:26 |
|
|
|
|
| O vietoje 220nF iškart dėk 1,0uF ir galėsi užmiršti apie juos. Tiks bilikokie polipropileniniai. Maitinime 4700-10000uF ir kuo arčiau mikroshemos (arba 470-2200 prie mikroshemos ir 4700-10000 maitinime, jei stiprintuvėlis ne mašinoje).Galima prilipinti LEDukus indikacijai, dar mute vėlinimą (kad nebūtų puk garsiakalbyje) pagal shemą nuorodoje http://mariolla.com/index.php/amplifier/14-amplifier-tda8561q.html |
|
|
|
|
|
 |
 |
TDA8561 klausimai |
Parašytas: 2016 01 20, 21:05 |
|
|
|
|
| Egis64 rašo: |
| O vietoje 220nF iškart dėk 1,0uF ir galėsi užmiršti apie juos. Tiks bilikokie polipropileniniai. Maitinime 4700-10000uF ir kuo arčiau mikroshemos (arba 470-2200 prie mikroshemos ir 4700-10000 maitinime, jei stiprintuvėlis ne mašinoje).Galima prilipinti LEDukus indikacijai, dar mute vėlinimą (kad nebūtų puk garsiakalbyje) pagal shemą nuorodoje http://mariolla.com/index.php/amplifier/14-amplifier-tda8561q.html |
O, labai dėkoju tau!
1.O 1uf elektroninį galimą dėti? Jeigu taip, kokiu poliroškumu?
2. Stiprintuvą jau sukroviau, ir kol aux laidas neikištas į lizdą, tol kolonėlese girdisi burzgimas, kaip šitą išspresti?
3. Jeigu pasidaryčiau dar vieną tokį stiprintuvą, juos sujungti galima butu sujungus iejimo laidus ir maitinimo? |
|
|
|
|
|
 |
 |
TDA8561 klausimai |
Parašytas: 2016 01 21, 14:41 |
|
|
|
|
1.Lyg ir parašiau-polipropilenas; na gerai, įkalbėjai, užteks 0,47uF.
2.Burzgimas gali būti dėl daug ko. Pradžiai pabandyk be garso šaltinio, įėjimą užtrumpinti su žeme; jei burzgimas lieka, vansi kaltas maitinimas (per didelės pulsacijos). Aplamai šita mikruškė skirta autobalalaikoms, kur principe nėra kintamos. Kol kas nerašei, naminis bus šitas stiprintuvėlis ar mašininis ir koks kol kas organizuotas jam maitinimas.
Taip pat šito tipo mikruškės mėgsta pusiau nusprogti, t.y. lyg ir truputį veikia, bet veikia prastai (biški groja, burzgia ir t.t.). Priežastys-perkaitinimas lituojant arba bandant leisti be aušintuvo, maitinimo perpoliusavimas, patrumpinimas kur nereikia ir kt. Kad bandymų, vėliau ekspluatacijos metu neperkaistų, iškart, kuo ploniau patepus pasta, sukti prie aušintuvo 300-600 cm2, priklausomai kokia bus maitinimo įtampa.
Bandymų pradžioje nejunk kolonėlių, kokios jos bebūtų. Pirmas jungimas-be apkrovos (žiūri ar nerūksta dūmai ), sekantis-apkrova galingesnis rezistorius 4-8 Om (čiupinėji mikroschemą ar neperdaug kaista ) ir jau tada koks garsiukas (ar neperdaug šnypščia/burzgia/kriokia ). Puikiai tinka garsiakalbiai iš senų televizorių; šito gėrio gausi dykai pas bet kurį vyresnį radiomėgėją. Kol kas visi jungimai su užtrumpintu įėjimu, mikruškė-prišriubuota prie radiatoriaus ! Jei viskas daugmaž tvarkoj, paduodi signalą (galima iš kompiuterio, pradžiai sumažinus garso lygį iki minimumo ir atsargiai didinant ar kokio grotuvo per 10kOm-50kOm potenciometrą (vienas potenciometro kraštinis kontakas į garso šaltinį, kitas kraštinis-žemė, vidurinis į stirintuvo IN)). Garsui paduoti naudoti ekranuotą laidą (mikrofoninis, koaksialinis ir pan.). Jei viskas tvarkoj, jungi kolonėles ir klausai Toliau baisu net rašyti...
3.Prašau aiškiau formuluoti klausimus ir norus. Stiprintuvėlis stereo, kam dar vienas stipras ar kaip ? |
|
|
|
|
|
 |
 |
TDA8561 klausimai |
Parašytas: 2016 01 24, 17:59 |
|
|
|
|
Kad nekurt naujos temos tai klausiu čia. Kaip su multimetru surasti transformatoriaus kontaktus? Išeina net 13 laidų.
 |
|
|
|
|
|
 |
 |
TDA8561 klausimai |
Parašytas: 2016 01 25, 12:03 |
|
|
|
|
1.Paklausti žmogaus, iš kurio gavai tą daiktą arba meistro, užsiimančio aparatūros remontu.
2.Pagal užrašą ant trafo ieškoti iš kur jis išluptas-ieškoti internete to daikto service manual-atsirinkti kontaktus pagal schemą.
3.Išmatuoti visas varžas tarp apvijų, nusipiešti sujungimų schemą. Pamatuoti panašaus dydžio trafo pirminės varžą. Palyginti
Toliau-viskas kaip ir prie Smetonos: LATR'as (tikriausiai dar neturi-išbraukiam), nuosekliai galingesnė kaitrinė lemputė (100-300W)-kelių A saugiklis (4A pvz.)-Omo ar dalies Omo eilės bent kelių vatų rezistorius (ant jo matuosi įtampos kritimą, kad skaičiuoti trafo srebiamą srovę tuščioje eigoje)-trafo apvijos vienas galas; kitas apvijos galas-į kitą 230 kontaktą. Jei lempa stipriai šviečia/saugiklis džiaugsmingai perdega, vadinasi neatspėjai apvijų (dažnai pirminė susideda iš kelių dalių, pvz. universalaus 2x115/230 trafo pirminė bus iš dviejų vienodų dalių ir t.t.). Jei lemputė vos žiba ir saugiklis sveikas, lemputę iš grandinės išmetam ir ant rezistoriaus matuojam U, skaičiuojam kiek srovės ima trafas tuščioje eigoje (be apkrovos). Turėtų būti keli (idealu)-keliolika (normalu)-keliasdešimt (neaudiofiliška, bet gyventi galima) mA. Matuojam trafo įtampas kitose apvijose. Žiūrim apvijų storius, įtampos kritimą su apkrova ir t.t. (siejasi su transformatoriaus skaičiavimu, studijuojam). |
|
|
|
|
|
 |
 |
TDA8561 klausimai |
Parašytas: 2016 01 25, 13:28 |
|
|
|
|
| Egis64 rašo: |
| Jei lempa stipriai šviečia/saugiklis džiaugsmingai perdega, vadinasi neatspėjai apvijų (dažnai pirminė susideda iš kelių dalių, pvz. universalaus 2x115/230 trafo pirminė bus iš dviejų vienodų dalių ir t.t.) |
Kiek matau pirminė yra atskirais laidais, o fyškėje greičiausiai bus antrinės. Ką nesunku su testeriu pamatuoti. Tik aišku pirminę pirmą kartą jungti kaip patarė Egis. |
|
_________________ Tel. Nr. 86045396penki |
|
|
|
 |
TDA8561 klausimai |
Parašytas: 2016 01 25, 14:46 |
|
|
|
|
| Tai taip , su pirmine viskas aišku. o iš antrinių 13 laidų išeina, turiu multimetrą, tai ant ko nustatyt multimetrą kad raščiau kurie kontaktai yra 12V? |
|
|
|
|
|
|
 |
Google paieška forume |
|
|
 |
Naujos temos forume |
|
 |
FS25 Tractors
Farming Simulator 25 Mods,
FS25 Maps,
FS25 Trucks |
 |
ETS2 Mods
ETS2 Trucks,
ETS2 Bus,
Euro Truck Simulator 2 Mods
|
 |
FS22 Tractors
Farming Simulator 22 Mods,
FS22 Maps,
FS25 Mods |
 |
Dantų protezavimas
All on 4 implantai,
Endodontija mikroskopu,
Dantų implantacija |
 |
FS25 Mods
FS25 Maps,
FS25 Cheats,
FS25 Install Mods |
 |
FS25 Mods
Farming Simulator 25 Mods,
FS25 Maps |
 |
ATS Trailers
American Truck Simulator Mods,
ATS Trucks,
ATS Maps |
 |
Must have farming mods
Farming simulator modhub,
Best farming simulator mods |
|

|
 |