Elektronika.lt
 2026 m. vasario 27 d. Projektas | Reklama | Žinokite | Klausimai | Prisidėkite | Atsiliepimai | Kontaktai
Paieška portale
EN Facebook RSS

 Kas naujo  Katalogas  Parduotuvės  Forumas  Tinklaraščiai
 Pirmas puslapisSąrašas
 Forumas / + pokalbiai
 - Paieška forume
 - D.U.K. / Forumo taisyklės
 - Narių sąrašas
 - Registruotis
 - Prisijungti

Elektronika.lt portalo forumas

Jūs esate neprisijungęs lankytojas. Norint dalyvauti diskusijose, būtina užsiregistruoti ir prisijungti prie forumo. Prisijungę galėsite kurti naujas temas, atsakyti į kitų užduotus klausimus, balsuoti forumo apklausose.

Administracija pasilieka teisę pašalinti pasisakymus bei dalyvius, kurie nesilaiko forumo taisyklių. Pastebėjus nusižengimus, prašome pranešti.

Dabar yra 2026 02 27, 12:44. Visos datos yra GMT + 2 valandos.
 Forumas » Maitinimo šaltiniai » Tinklo įtampos lygintuvas
Jūs negalite rašyti naujų pranešimų į šį forumą
Jūs negalite atsakinėti į pranešimus šiame forume
Jūs negalite redaguoti savo pranešimų šiame forume
Jūs negalite ištrinti savo pranešimų šiame forume
Jūs negalite dalyvauti apklausose šiame forume
 
  
Puslapis 44
Pereiti prie Atgal  1, 2, 3, 4
Pradėti naują temą  Atsakyti į pranešimą Rodyti ankstesnį pranešimą :: Rodyti kitą pranešimą 
 Tinklo įtampos lygintuvas
PranešimasParašytas: 2012 05 13, 14:35 Pranešti apie taisyklių pažeidimą Atsakyti su citata
RVRSS
Senbuvis
Senbuvis
Peržiūrėti vartotojo aprašymą Siųsti asmeninį pranešimą Siųsti el. laišką Apsilankyti vartotojo tinklapyje
vidas.k rašo:
Nžn kaip kas, bet aš stengiuosi iškart atmesti tokius sprendimus, kurie , kaip iš anksto matosi, yra grynai teoriniai arba schemotechniškai beviltiški. Pavyzdziui? Gal dėl to, kad teko visokio š--do nemažai prigaminti, kuris, nors iš pradžių atrodo , kad bus darbinis, paskui pasirodo su tokiais kabliukais, kad tenka ne patobulinti, bet keisti visą schemos principą. Evil or Very Mad Na tai tokiu atveju kodel is anksto nebuvo pastebeta, kad tos gamintos/bandytos schemos buvo "grynai teorines" arba "schemotechniskai beviltiskos" ir jei tokios izvalgos nebuvo/nepakako tada, tai kur garantija kad ji jau tikrai atsiras dabar?

Pasakysiu iš praktikos, kaip būna padarytas tas užsikrovimo srovės ribojimas, konkrečiai- inverterinėse svarkėse, kur galia virš 2-3kW.
Daugiausiai būna su rele ir ribojančia varža, vienas modelis buvo su tiristoriumi, bet principas toks pats- apribojanti varža, o tiristorius po konderių baterijos pasikrovimo O tai pagal ka gi nustatomas tas "pasikrovimas"? atsidaro pilnai ir tą varžą šuntuoja. Beje, autoriaus nurodytų didelių varžos galių nereikia- pakanka 10w, varža būtinai vielinė. Kol viskas gerai veikia - taip. O jei avarija uz varzos pvz. kieno nors pramusimas su TJ - ji pavirs fejerverku, ir tuo greiciau ir tuo linksmesniu, kuo mazesnes galios ji bus.
Tame tarpe buvo ir svarkės su procesoriniu valdymu- ir atrodo, nebus problemos padaryti tiristoriaus valdymą pagal momentinę maitinimo įtampą, ir padaryti taip, kaip siūlė kolega pora postų aukščiau. Bet ne, gamintojas taip nedaro- paprastas taimeris ir relė. Ar mes gudresni už pvz Fronius gamintoją ? Galbūt-------------bet kažkaip abejoju Shocked
Problema deja ne ta kad mes ne gudresni o kad pirkejas toks pats durnas, kuriam vienintelis pasirinkimo kriterijus - maziausia kaina.
Tai tada ir taupo gamintojai ant kiekvieno kampo - kas dar visai nereiskia, kad ju sprendimai yra labiausiai progresyvus is visu imanomu.


Dėl PFC pagerinimo ir galingo droselio schemoje- jei pasiryžę gaminti droselį , apie 10-15kg svorio- tada -pirmyn. Bet tas aukšto PFC reikalavimas- tai yra tik biurokratų iš3,14zdėjimas, ne daugiau. Na cia tai jau tikrai nesutiksiu. Nejaugi neteko nieko girdeti apie degancius nulinius laidus trifazese sistemose su prastu PF?
O kaip gerai veikia motorai maitinami "sinusine" itampa su nupjaustytom virsunem?

Jei tai būtų stacionarus gaminys,maitinamas iš ribotos galios tinklo arba gaminamas masiškai, dar dalinai suprasčiau, bet čia visai ne tas atvejis.
Jei daroma ne sau o kolegijai kaip oficialus projektas - tai matyt visgi tas. Todel geriausia netgi butu:
Tiesa, PFC būna ir elektroniniai, kai naudojamas galingas tranzistorius (-iai), valdomas aukšto dažnio impulsais. Šito kol kas niekas nesiūlė, bet kodėl nepabandžius------- Shocked
As autoriui tai jau siuliau, bet jis kaip supratau dar iki to "kurybinio etapo" nepriejo. Rolling Eyes

PS Jeigu nepatingėjau parašyti, dar papildysiu. Nėra šiais laikais tokių dalykų- "potencialiai nepatikimi elementai". Tokie yra absoliuciai visi elementai! Yra visai kitas dalykas- "potencialiai nepatikimi schemotechniniai sprendimai". Net ir naudojant "potencialiai patikimus schemotechninius sprendimus" (tiesa, as pirma noreciau juos tokius pamatyti) elementai vistiek ges.
(nors be abejo, ne tiek daug kaip esant kvailai schemotechnikai)
Kitaip kodel pvz. pakeitus firminiame maiteke palekusi 20A-600V (patikimo gamintojo ir originalu!) tranza i silpnesni 8A-500V pirkta musu parduotuvese (ir pakankama pagal realia apkrova) pastarasis sekmingai veikia daugeli metu ir nesudega?
Kokio velnio tada prasimuse tas originalus tranzas tame paciame aparate?
Jau nekalbant apie tikrai daugybinius atvejus kai pramusta detale keiciama i kita mazdaug panasios galios kuri irgi po to veikia ilgai ir sekmingai - tame paciame aparate su ta pacia schemotechnika.

Kokie elementai gali būti potencialiai nepatikimi- ?? Relė- pardon, sudaryk normalias sąlygas, ji laikys 10 000 000 komutacijų. Tai kad deja nera siame pasaulyje jokiu tu "normaliu salygu" garantiju. Rele beje, del savo gremezdiskumo yra dar gana atspari tiems
"netiketumams", ko deja negalima pasakyti apie dauguma kitu elektroniniu daliu.
Diodai- sudarius normalias sąlygas, diodą užmušti labai sunku, greičiau PCB pajuoduoja nuo karščio, nei diodas prasikala. Mano pilnejanti pramustu diodu dezute sako ka kita. Nemaza ju dalis beje, prasimuse butent patys sau vieni t.y. schemose nebuvo jokiu daugiau gedimu - neskaitant zinoma sudegintu saugikliu. Ir analogiskose schemose daugelis kitu analogisku diodu velgi veikia gerai daugeli metu. Elektrolitai- šiuolaikiniai yra tikrai geri- tik neapsigaukite, į rinką patenka labai daug paddielkų, o mūsų distributoriai labai gobšūs, dėl skatiko pasiryžę sienomis lipti , tai perka tai, kas bent centu pigesnis.
Sutinku kad bendrai paemus elektrolitu patikimumas yra pakankamai geras, bet jie irgi periodiskai genda - kaip ir kitos detales.

_________________
Elektroje stebuklų nebūna Wink - būna blogi kontaktai! Razz

"Aš čia, gyva!"
(durnyno SHIT'o vardas - Lietuva)
 Tinklo įtampos lygintuvas
PranešimasParašytas: 2012 05 13, 14:57 Pranešti apie taisyklių pažeidimą Atsakyti su citata
RVRSS
Senbuvis
Senbuvis
Peržiūrėti vartotojo aprašymą Siųsti asmeninį pranešimą Siųsti el. laišką Apsilankyti vartotojo tinklapyje
vidas.k rašo:
Elektroshokas rašo:
O kaip toks variantas: lygiagrečiai R4 pajungti optroną per varžą ir stabilitroną, ir relės valdymą padaryti tokį, kad kol per optroną teka srovė, tol relė išjungta, o kai optronas nebeveikia - suveikia relė ir užtrumpina R4?


variantas įdomus.

Bet kaip išvengti tokios situacijos- po to , kai relė suveikė, tinklas dingo 1-ai sekundei, ir vėl atsirado. Kondensatorių baterija jau gerokai išsikrovė- sakykime, liko 100v, o relė suveikusi. Atsiradus tinklui, turėsime stiprų srovės šuolį su visomis jo pasekmėmis--

Tam autoriaus schemoje ir yra atskiras pikines tinklo itampos detektorius kurio issikrovimo laikas zymiai didesnis nei pagrindiniu konderiu ir netgi nei valdymo automatikos dalies maitinimo.
(taigi del itampos tinkle dingimo issikrovus pagrindiniams konderiams zemiau pavojingos ribos rele bet kokiu atveju neliks susijungusi jei schemoje niekas nesugedo - ji issijungs arba del to kad itampa ant pagrindiniu konderiu nukris zemiau normos pikinio detektoriaus itampos atvilgiu arba del to, kad dings maitinimas jau paciai reles valdymo automatikai - pastarasis atvejis galetu buti jei pagrindiniu konderiu apkrova butu santykinai nedidele ir ju pakankamai greitai neiskrautu o itampa tinkle dingtu ilgesniam laikui)

Tokiu budu matuojant itampu skirtuma nepatenkama i cia auksciau pamineta padeti kai remiantis tik itampu skirtumu ant varzos t.y. kartu ir ant reles kontaktu ir esant jau uztrumpintai relei to skirtumo (ant jos kontaktu) nelieka nepriklausomai nuo tinklo itampos buvimo - originaliu gi autoriaus atveju tinklo itampos dingimas bus operatyvai pastebetas nes pagrindiniu konderiu itampa yra lyginama su atskiru "atramines" itampos saltiniu nepriklausanciu nuo reles busenos.


P.S. Bet jau cia keleta kartu mineta potenciali problema del neteisingo optronu panaudojimo autoriaus schemoje ir neivertinant ju galimo netikslumo be abejo islieka - taciau tai jau ne paties budo, o jo teisingos realizacijos klausimas.

_________________
Elektroje stebuklų nebūna Wink - būna blogi kontaktai! Razz

"Aš čia, gyva!"
(durnyno SHIT'o vardas - Lietuva)
 Tinklo įtampos lygintuvas
PranešimasParašytas: 2012 05 13, 16:51 Pranešti apie taisyklių pažeidimą Atsakyti su citata
AlgisL
Senbuvis
Senbuvis
Peržiūrėti vartotojo aprašymą Siųsti asmeninį pranešimą
RVSS, tiristoriu paminejau kaip kitoki varianta, kuri aisku galima keisti i MOSFET'a. srove galima valdyt per MCU PWM ir komparatorium.
komparatorius isjungtu MSOFET'a automatiskai pasiekus max srove, tuo paciu MCU pasikoreguotu PWM reiksme, kad nevirsyti sroves. dar ir momentine apsauga nuo trumpo tolesneje PSU dalyje butu.
 Tinklo įtampos lygintuvas
PranešimasParašytas: 2012 05 13, 19:54 Pranešti apie taisyklių pažeidimą Atsakyti su citata
Elektroshokas
Dažnas dalyvis
Dažnas dalyvis
Peržiūrėti vartotojo aprašymą Siųsti asmeninį pranešimą
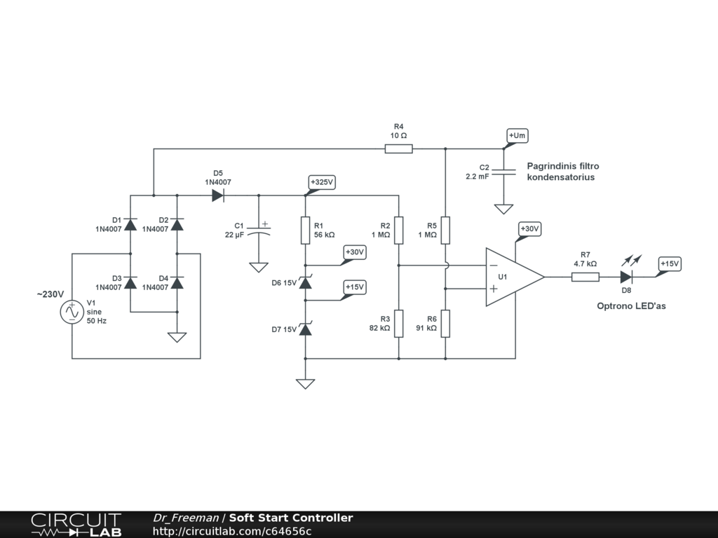
Sumąsčiau alternatyvią schemą, principas tas pats kaip autoriaus, bet išvengiama problemų su optronais, nes įtampa matuojama tiesiogiai. Ką manote?

https://www.circuitlab.com/circuit/64656c/screenshot/1024x768/

Čia šviesos diodas D8 yra optrono diodas, jis įjungia relę, kuri maitinama iš atskiro šaltinio (schemoje neparodyta).
 Tinklo įtampos lygintuvas
PranešimasParašytas: 2012 05 13, 22:23 Pranešti apie taisyklių pažeidimą Atsakyti su citata
vidas.k
Senbuvis
Senbuvis
Peržiūrėti vartotojo aprašymą Siųsti asmeninį pranešimą
to RVRSS

Beviltiška schemotechnika- na, sakykime apie 1/5 Radio žurnalo publikacijų. Užsienietiškų žurnalų- taip pat daug. Vieno kieto autoriaus-teoretiko knygutė apie amplitudinius detektorius- gal 1/2 schemų. aš galiu pasakyti tiek, kad nelabai kas nori tau atiduoti gatavą produktą, kurį tu pakartoji , neįdėjęs intelektinio darbo

Dėl varžos R4 srovės ribojime- ji neturi būti didelės galios, nes T.J. atveju galinga varža vistiek sudegs, kaip ir maža, tik galinga daugiau pridarys problemų- ilgiau degs ir bus daugiau degančių pelenų ant kitų schemos elementų

Dėl tiristoriaus panaudojimo konderių baterijos užkrovimui, jį valdant faziniu būdu- išvis, apie ką mes kalbame ir ką mes sutaupome ?? Sutaupome 1 varžą, apie 10W galios ir to sąskaita prisidarome didelių schemos komplikacijų. Tai kam tas fazinis valdymas išvis reikalingas?

Jei tas aparatas yra 2kW galios ir maitinamas iš skydelio, kurio galia apie 20kW, tai jokių neutralės kaitimų nebus. Visa kalba apie PFC gerinimą yra tik vandens pilstymas.
Jeigu tas lygintuvas būtų pvz laive, kurio generatorius yra tik 5 kW- tada, be abejo , sutinku- PFC reikalingas

Kalbos apie gerai veikiantį tranzą, kuris buvo 6A ir įdėtas vietoje 20A originalo yra tik kalbos. Tokias išvadas galima daryti, jei pertvarkei ne 1, ne 2 , bet kokius 50 aparatų, ir visi sėkmingai veikė 5 metus po pakeitimo. Tu neturi statistinių matavimų duomenų - ir tai viską pasako. Dar galiu pasakyti, kad Rytų Europoje, kuriai mes priklausome, yra įprasta naudoti visokį šlamštą, ir apie detalės patikimumą nelabai verta plėstis į kalbas. Originalus tranzas galėjo prasimušti, pvz, kai aparatas gavo vietoje 220V 380V, sakykime nutrūko maitinimo kabelio neutralė. Po pakeitimo tokio atvejo nebebuvo, ir jis veikia gerai. arba aparatas buvo įjungtas šaltas, atneštas į šiltą aplinką- kondensatas ant PCB. Arba vorai įsiveisė, užtrumpino Gate į Drainą. arba arba Arba---
Teko skaityti forume, kaip žmogus racijoje galingą išėjimo tranzą pakeitė, o galios antenoje nėra. Tranzistorius - paddelka- korpusas panašus, viduriai- žemo dažnio kristalas.

O dėl blogos schemotechnikos- pavyzdžių nors vežk. Maitblokis ,pramoninis, austriškas, kuriame ant baterijos 395V ir HF pulsacijos- o baterija iš 400V konderių. Veikė 2 metus, viso 6 blokai .
Arba lygintuvo diodas negalingas arba be radiatoriaus, PCB net pajuodusi nuo karščio. Samsung ir Sharp telikuose - tokių pavyzdžių- daugybė .
Bet nesiplėskime perdaug toli nuo temos
 Tinklo įtampos lygintuvas
PranešimasParašytas: 2012 05 13, 22:45 Pranešti apie taisyklių pažeidimą Atsakyti su citata
Digix
VIP narys
VIP narys
Peržiūrėti vartotojo aprašymą Siųsti asmeninį pranešimą
manau kad viska galima padaryti paprascisiu be jokiu komparatoriu ir stiprintuvu.


optrona jungiam lygereciai ant tos varzos per kuria kraunamas kondensatoriius (nuiseklai su varza zinoma) tada kai kondensatorisu pasikraus optronas atisjungs ir isijungs rele.

visask labai paprasta.

jei yra reliu kurios galetu veikti nuo 300v galima viska padaryti dar paprascisu be jokiu optronu tik su keletu tranzistoriu
 Tinklo įtampos lygintuvas
PranešimasParašytas: 2012 05 13, 22:50 Pranešti apie taisyklių pažeidimą Atsakyti su citata
vidas.k
Senbuvis
Senbuvis
Peržiūrėti vartotojo aprašymą Siųsti asmeninį pranešimą
Digix rašo:
manau kad viska galima padaryti paprascisiu be jokiu komparatoriu ir stiprintuvu.


optrona jungiam lygereciai ant tos varzos per kuria kraunamas kondensatoriius (nuiseklai su varza zinoma) tada kai kondensatorisu pasikraus optronas atisjungs ir isijungs rele.

visask labai paprasta.

jei yra reliu kurios galetu veikti nuo 300v galima viska padaryti dar paprascisu be jokiu optronu tik su keletu tranzistoriu


zr mano posta 13.02
 Tinklo įtampos lygintuvas
PranešimasParašytas: 2012 05 13, 23:06 Pranešti apie taisyklių pažeidimą Atsakyti su citata
Digix
VIP narys
VIP narys
Peržiūrėti vartotojo aprašymą Siųsti asmeninį pranešimą
vidas.k rašo:
zr mano posta 13.02


sia tai ta problema galia spresti tokiu budu:

jei itampa nukrito iki 100v tai turetu tiesiog atsijungti keitiklis ir dingti reles maitinimas.

o tada vel krovimas vyksta per varza kai itampa ant varzos nukrinta ijungiamas keitikis kuris vel uzmaitina rele ir uztrumpina varza.

tokiu budu visa sistema gaunasi neitiketinai paprasta. nes tereiski optrono, varzos ir reles

p.s.

shema butu galima dar pakoreguoti kad nereiketu net optrono.
 Tinklo įtampos lygintuvas
PranešimasParašytas: 2012 05 13, 23:15 Pranešti apie taisyklių pažeidimą Atsakyti su citata
vidas.k
Senbuvis
Senbuvis
Peržiūrėti vartotojo aprašymą Siųsti asmeninį pranešimą
to Digix

keitiklio jėgos raktai valdomi iiš trafuko 220/18V. Jeigu talpos po lygintuvo didelės, jis nepajus, kad tinklas sėdo, ir relė išliks pritraukta.

Tavo idėjai reikia 300VDC įtampos daviklio, kuris stabdytų invertoriaus darbą ir atleistų Relę
 Tinklo įtampos lygintuvas
PranešimasParašytas: 2012 05 14, 00:13 Pranešti apie taisyklių pažeidimą Atsakyti su citata
Digix
VIP narys
VIP narys
Peržiūrėti vartotojo aprašymą Siųsti asmeninį pranešimą
vidas.k rašo:
to Digix

keitiklio jėgos raktai valdomi iiš trafuko 220/18V. Jeigu talpos po lygintuvo didelės, jis nepajus, kad tinklas sėdo, ir relė išliks pritraukta.

Tavo idėjai reikia 300VDC įtampos daviklio, kuris stabdytų invertoriaus darbą ir atleistų Relę

jei itampa ant kondensatoriu nuses tai isejimo itmpa irgi nukris o to pakaks kad rele atsijungtu, jei nepakanka- rele galima pajunti per stabilitrona.

po keitiklio kondensatoriu talpos nebus labai dideles, o jei isejime kondensatoriai neisiskrove tai ir tinklo kondensatorisu bus neisiskroves, jug sroves tai niekas nenaudoja.
 Tinklo įtampos lygintuvas
PranešimasParašytas: 2012 05 14, 07:17 Pranešti apie taisyklių pažeidimą Atsakyti su citata
vidas.k
Senbuvis
Senbuvis
Peržiūrėti vartotojo aprašymą Siųsti asmeninį pranešimą
to digix

tu manęs nesupratai. Sakykime, konderis prieš 7812 ir 7912 Kreną yra didelės talpos, ir tinklo dingimas 0,5-1 sek didelės problemos nesudaro- pvz įtampa krinta nuo 20VDC iki 15VDC, tai Kreno išėjime bus vistiek gera 12V įtampa, PWM kontroleris veikia normaliai, ir jėgos raktai, pvz IGBT modulis- atidarinėjamas, kaip įprastai. Šitų dviejų konderių talpos nenoriu mažinti, nes jie svarbūs- kad nukritus oro temperatūrai,arba nežymiai nukritus tinklo įtampai, arba kiek padžiūvus konderiui nuo amžiaus, noriu, kad 12 stabilitronai vistiek veiktų gerai.

Tuo tarpu baterija iš 470 mkfx400V konderių maitina apkrovą 10A srove, ir ji greitai išsikrauna, dingus tinklui pvz 0,5 sek. Relė , lygiagreti baterijai, pvz su 110VDC rite, ji atsileis tik kai įtampa nukris iki kokių 20-30VDC, na, įvertinant papildomą 200V gesinančią varžą, bus apie 50-80VDC.

Gausime labai blogą srovės šuolį per tą 470x400V bateriją, vėl netikėtai atsiradus tinklui
 Tinklo įtampos lygintuvas
PranešimasParašytas: 2012 05 14, 07:26 Pranešti apie taisyklių pažeidimą Atsakyti su citata
AlgisL
Senbuvis
Senbuvis
Peržiūrėti vartotojo aprašymą Siųsti asmeninį pranešimą
Elektroshokas rašo:
Sumąsčiau alternatyvią schemą, principas tas pats kaip autoriaus, bet išvengiama problemų su optronais, nes įtampa matuojama tiesiogiai. Ką manote?

https://www.circuitlab.com/circuit/64656c/screenshot/1024x768/

Čia šviesos diodas D8 yra optrono diodas, jis įjungia relę, kuri maitinama iš atskiro šaltinio (schemoje neparodyta).


kad tavo chemoje galioja ta pati beda - nesudirbo reles kontaktai ir varza dumais. is dalies galima kompensuoti permetamu kontaktu, kai viena puse per varza, kita tiesiai, bet lieka tas pats antras trukumas - jei tinklo itampa pasokineja - rele klapsi arba stiprios sroves impulsai i konderius.
 Tinklo įtampos lygintuvas
PranešimasParašytas: 2012 05 14, 13:57 Pranešti apie taisyklių pažeidimą Atsakyti su citata
Digix
VIP narys
VIP narys
Peržiūrėti vartotojo aprašymą Siųsti asmeninį pranešimą
vidas.k rašo:
to digix

tu manęs nesupratai. Sakykime, konderis prieš 7812 ir 7912 Kreną yra didelės talpos, ir tinklo dingimas 0,5-1 sek didelės problemos nesudaro- pvz įtampa krinta nuo 20VDC iki 15VDC, tai Kreno išėjime bus vistiek gera 12V įtampa, PWM kontroleris veikia normaliai, ir jėgos raktai, pvz IGBT modulis- atidarinėjamas, kaip įprastai. Šitų dviejų konderių talpos nenoriu mažinti, nes jie svarbūs- kad nukritus oro temperatūrai,arba nežymiai nukritus tinklo įtampai, arba kiek padžiūvus konderiui nuo amžiaus, noriu, kad 12 stabilitronai vistiek veiktų gerai.

Tuo tarpu baterija iš 470 mkfx400V konderių maitina apkrovą 10A srove, ir ji greitai išsikrauna, dingus tinklui pvz 0,5 sek. Relė , lygiagreti baterijai, pvz su 110VDC rite, ji atsileis tik kai įtampa nukris iki kokių 20-30VDC, na, įvertinant papildomą 200V gesinančią varžą, bus apie 50-80VDC.

Gausime labai blogą srovės šuolį per tą 470x400V bateriją, vėl netikėtai atsiradus tinklui


tu irgi manes nesupratai, nes as rele siulau jungti lygereciai su apkrova. itampa ant apkrovos yra daug maz proporcinga itampai ant tu kondensatoriu
taigi jei itampa nukris daugisu nei leistina atsijungs rele vel grizus maitinimui ant varzos atsiras itampos kritimas ir keitiklis bus gesinamas iki to laiko kol vel kondensatoriai nebus pilnai pakrauti.

tada keitiklis naudodamas kondensatoriu energija trumpam suveiks ir ijungs rele kuri paduos pilna srove is tinklo. ir jau nuo tada veiks is tinklo.
 Tinklo įtampos lygintuvas
PranešimasParašytas: 2012 05 14, 20:59 Pranešti apie taisyklių pažeidimą Atsakyti su citata
Elektroshokas
Dažnas dalyvis
Dažnas dalyvis
Peržiūrėti vartotojo aprašymą Siųsti asmeninį pranešimą
AlgisL rašo:
Elektroshokas rašo:
Sumąsčiau alternatyvią schemą, principas tas pats kaip autoriaus, bet išvengiama problemų su optronais, nes įtampa matuojama tiesiogiai. Ką manote?

https://www.circuitlab.com/circuit/64656c/screenshot/1024x768/

Čia šviesos diodas D8 yra optrono diodas, jis įjungia relę, kuri maitinama iš atskiro šaltinio (schemoje neparodyta).


kad tavo chemoje galioja ta pati beda - nesudirbo reles kontaktai ir varza dumais. is dalies galima kompensuoti permetamu kontaktu, kai viena puse per varza, kita tiesiai, bet lieka tas pats antras trukumas - jei tinklo itampa pasokineja - rele klapsi arba stiprios sroves impulsai i konderius.


Tai visai ne bėda, jeigu padarytume, kad keitiklis pasileistų tik po to, kai kondensatoriai jau užsikrovė ir relė užtrumpino varžą. Tas pats optronas, kuris įjungia relę, galėtų ir įjungti maitinimą keitiklio valdikliui (arba išvesti jį iš reset'o būsenos). O dėl įtampos šokinėjimo tai komparatoriaus varžas reikia taip paskaičiuoti, kad įtampai svyruojant leistinose ribose jis neišsijungtų.
Pradėti naują temą  Atsakyti į pranešimą Pereiti prie Atgal  1, 2, 3, 4
 
Forumo sistema: phpBB
 „Google“ paieška forume
 Kas naujesnio?
 Naujos temos forume

Global electronic components distributor – Allicdata Electronics

Electronic component supply – „Eurodis Electronics“

LOKMITA – įvairi matavimo, testavimo, analizės ir litavimo produkcija

Full feature custom PCB prototype service

Technologijos.lt

Mokslo festivalis „Erdvėlaivis Žemė

LTV.LT - lietuviškų tinklalapių vitrina

„Konstanta 42“

„Mokslo sriuba“

www.matuok.lt - Interneto spartos matavimo sistema

Programuotojas Tautvydas – interneto svetainių-sistemų kūrimas

PriedaiMobiliems.lt – telefonų priedai ir aksesuarai

Draugiškas internetas

FS25 Tractors
Farming Simulator 25 Mods, FS25 Maps, FS25 Trucks
ETS2 Mods
ETS2 Trucks, ETS2 Bus, Euro Truck Simulator 2 Mods
FS22 Tractors
Farming Simulator 22 Mods, FS22 Maps, FS25 Mods
Dantų protezavimas
All on 4 implantai,
Endodontija mikroskopu,
Dantų implantacija
FS25 Mods
FS25 Maps, FS25 Cheats, FS25 Install Mods
FS25 Mods
Farming Simulator 25 Mods,
FS25 Maps
ATS Trailers
American Truck Simulator Mods, ATS Trucks, ATS Maps
RDR2 Mods
Euro Truck Simulator 2 Mods, WOT Mods, Assetto Corsa Rally Mods
Reklama
‡ 1999– © Elektronika.lt | Autoriaus teisės | Privatumo politika | Atsakomybės ribojimas | Turinys | Reklama | Kontaktai LTV.LT - lietuviškų tinklalapių vitrina
ScriptHookV, GTA 5 Mods, GTA 5 Map Mods
gta5mod.net
„MokslasPlius“ – mokslui skirtų svetainių portalas
www.mokslasplius.lt
Būk saugus
elektroninėje erdvėje

www.esaugumas.lt
LTV.LT – lietuviškų tinklalapių vitrina
www.ltv.lt/technologijos/
Elektroninių parduotuvių optimizavimas „Google“ paieškos sistemai
www.seospiders.lt
Mokslo festivalis „Erdvėlaivis žemė“
www.mokslofestivalis.eu
Reklama


Reklama