 |

|
|
Elektronika.lt portalo forumas
Jūs esate neprisijungęs lankytojas. Norint dalyvauti diskusijose, būtina užsiregistruoti ir prisijungti prie forumo.
Prisijungę galėsite kurti naujas temas, atsakyti į kitų užduotus klausimus, balsuoti forumo apklausose.
Administracija pasilieka teisę pašalinti pasisakymus bei dalyvius,
kurie nesilaiko forumo taisyklių.
Pastebėjus nusižengimus, prašome pranešti.
Dabar yra 2026 05 17, 22:19. Visos datos yra GMT + 2 valandos.
|
|
|
 |
Forumas » Elektronika žaliems » Garso lygio indikatorius su 5 LED
|
Jūs negalite rašyti naujų pranešimų į šį forumą Jūs negalite atsakinėti į pranešimus šiame forume Jūs negalite redaguoti savo pranešimų šiame forume Jūs negalite ištrinti savo pranešimų šiame forume Jūs negalite dalyvauti apklausose šiame forume
|
|
|
 |
Garso lygio indikatorius su 5 LED |
Parašytas: 2009 02 27, 16:40 |
|
|
|
|
| jei tai buvo klausimas tai "taip". siaip varza neturi + ar -. o siaip gali lituot tiek pries led, tiek po led... |
|
|
|
|
|
 |
Garso lygio indikatorius su 5 LED |
Parašytas: 2009 03 13, 15:05 |
|
|
|
|
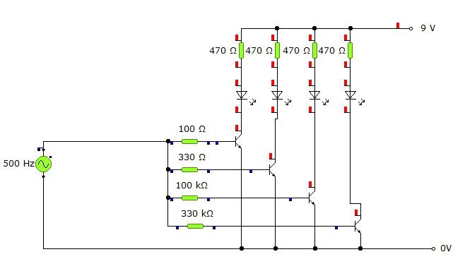
Per viena programą pasidariau štai tokį garso lygio indikatorių
Kiek matau jis gana šauniai veikia Tik norėjau paklaust kokius rezistorius dėti , maždaug nuo kiek iki kiek omu ir kiloomu. Jungsiu nuo kompiuterio audio išėjimo. |
|
|
|
|
|
 |
Garso lygio indikatorius su 5 LED |
Parašytas: 2009 04 01, 17:03 |
|
|
|
|
pasidariau ta 5led sviesos muzika, bet vietos 5 led dejau 10 led. todel jie silpnai sviecia, maitinimas 12v.
pasirenkama varza prie diodu dejau 22omu , bet vistiek neryskiai ssviecia.
ka dar reiktu pakeisti kad stipriau sviestu? |
|
|
|
|
|
 |
Garso lygio indikatorius su 5 LED |
Parašytas: 2009 04 01, 18:59 |
|
|
|
|
kaip matau niekas nezino.
tai va dar klausima turiu: gal kas turit kokia paprasta zd filtra, kad tik pagal zemus lemputes mirksetu? ieskojau intike bet ten tose chemose nebuvo nurodyti, uf, om . gal juos paciam apskaiciuoti reikia ? |
|
|
|
|
|
 |
Garso lygio indikatorius su 5 LED |
Parašytas: 2009 04 01, 19:54 |
|
|
|
|
Dar kolkas nesimato kad 5 LED indikatoriaus aprašymas būtų pataisytas ir nurodyta iš kokio šaltinio viskas paimta.  |
|
_________________ Pasaulyje nėra amžinų variklių, užtat amžinų stabdžių - pilna. |
|
|
|
 |
Garso lygio indikatorius su 5 LED |
Parašytas: 2009 04 01, 21:54 |
|
|
|
|
| Ta prasme neparašyta, kad visa ta informacija paimta iš kito puslapio. Čia kreipiuosi į elektronika.lt administraciją. |
|
_________________ Pasaulyje nėra amžinų variklių, užtat amžinų stabdžių - pilna. |
|
|
|
|
 |
Google paieška forume |
|
|
 |
Naujos temos forume |
|
 |
FS25 Tractors
Farming Simulator 25 Mods,
FS25 Maps,
FS25 Trucks |
 |
ETS2 Mods
ETS2 Trucks,
ETS2 Bus,
Euro Truck Simulator 2 Mods
|
 |
FS22 Tractors
Farming Simulator 22 Mods,
FS22 Maps,
FS25 Mods |
 |
Dantų protezavimas
All on 4 implantai,
Endodontija mikroskopu,
Dantų implantacija |
 |
FS25 Mods
FS25 Maps,
FS25 Cheats,
FS25 Install Mods |
 |
FS25 Mods
Farming Simulator 25 Mods,
FS25 Maps |
 |
ATS Trailers
American Truck Simulator Mods,
ATS Trucks,
ATS Maps |
 |
RDR2 Mods
Euro Truck Simulator 2 Mods,
WOT Mods,
Assetto Corsa Rally Mods |
|

|
 |